三菱R16柴油發動機冷卻系統的拆卸、檢測
1.1 外部三菱R16柴油發動機冷卻系統的拆卸,檢修

外部三菱R16柴油發動機冷卻系統的拆卸,檢修
拆卸順序
1 三菱S16柴油機冷卻水管
2 旋塞
3 軟管
4 三菱S16柴油機冷卻水管
5 排水管
6 排水管
7 三菱S16柴油機冷卻水管

外部三菱R16柴油發動機冷卻系統的拆卸,檢修
拆卸順序
1 三菱S16柴油機冷卻水管
2 橡膠軟管
3 三菱S16柴油機旁通管
4 三菱S16柴油機恒溫器( 約22 kg)
5 管接頭
6 三菱S16柴油機冷卻水管
7 水管連接件
8 三菱S16柴油機冷卻水管
9 排水管
10 排水管
11 三菱S16柴油機冷卻水管

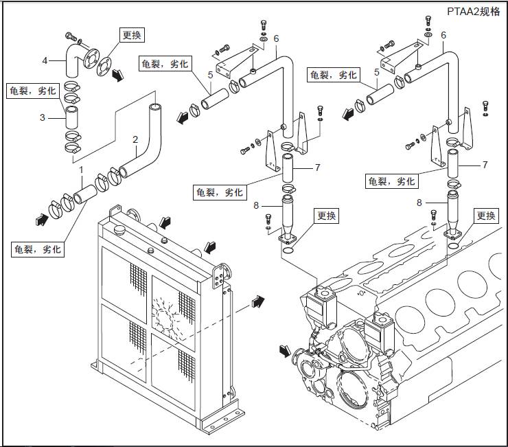
外部三菱R16柴油發動機冷卻系統的拆卸,檢修
拆卸順序
1 管接頭
2 三菱S16柴油機冷卻水管
3 三菱S16柴油機冷卻水管
4 三菱S16柴油機冷卻水管
1.2 三菱S16柴油機空氣冷卻器水管的拆卸,檢修

三菱S16柴油機空氣冷卻器水管的拆卸,檢修
拆卸順序
1 皮帶
2 三菱S16柴油機空氣冷卻器水泵(PTAW 規格約24 kg)(MPTK 規格約34 kg)
3 三菱S16柴油機張緊輪總成
1.3 三菱S16柴油機熱交換器的拆卸,檢修

三菱S16柴油機熱交換器的拆卸,檢修
拆卸順序
1 管接頭
2 三菱S16柴油機冷卻水管
3 三菱S16柴油機冷卻水管
4 管接頭
5 三菱S16柴油機冷卻水管
6 三菱S16柴油機冷卻水管
7 三菱S16柴油機熱交換器( 約30 kg)
8 座( 約26 kg)
9 隔板

三菱S16柴油機熱交換器的拆卸,檢修
拆卸順序
1 管接頭
2 三菱S16柴油機冷卻水管
3 三菱S16柴油機冷卻水管
4 管接頭
5 三菱S16柴油機冷卻水管
6 三菱S16柴油機冷卻水管
7 管接頭
8 三菱S16柴油機冷卻水管
9 三菱S16柴油機冷卻水管
10 管接頭
11 三菱S16柴油機冷卻水管
12 三菱S16柴油機冷卻水管
13 三菱S16柴油機熱交換器( 約73 kg)
14 座( 約79 kg)
15 隔板
1.4 三菱S16柴油機冷卻水管的拆卸,檢修

三菱S16柴油機冷卻水管的拆卸,檢修拆卸順序
1 三菱S16柴油機冷卻水管2 水管連接件

三菱S16柴油機冷卻水管的拆卸,檢修
拆卸順序
1 橡膠軟管
2 三菱S16柴油機冷卻水管
3 橡膠軟管
4 三菱S16柴油機冷卻水管
5 橡膠軟管
6 三菱S16柴油機冷卻水管
7 橡膠軟管
8 三菱S16柴油機冷卻水管

三菱S16柴油機冷卻水管的拆卸,檢修
拆卸順序
1 橡膠軟管
2 三菱S16柴油機冷卻水管
3 橡膠軟管
4 三菱S16柴油機冷卻水管
5 橡膠軟管
6 三菱S16柴油機冷卻水管
7 橡膠軟管
8 三菱S16柴油機冷卻水管
1.5 三菱S16柴油機恒溫器殼體、冷卻水管的拆卸,檢修

三菱S16柴油機恒溫器殼體、冷卻水管的拆卸,檢修
拆卸順序
1 管接頭
2 三菱S16柴油機旁通水管
3 三菱S16柴油機旁通水管
4 左側三菱S16柴油機恒溫器殼體
5 右側三菱S16柴油機恒溫器殼體
6 座
7 座
8 螺帽
9 三菱S16柴油機皮帶輪( 三菱S16柴油機充電機驅動用)
10 鍵
11 三菱S16柴油機水泵( 約40 kg)

三菱S16柴油機恒溫器殼體、冷卻水管的拆卸,檢修
拆卸順序
1 管接頭
2 三菱S16柴油機旁通水管
3 三菱S16柴油機旁通水管
4 左側三菱S16柴油機恒溫器殼體
5 右側三菱S16柴油機恒溫器殼體
6 三菱S16柴油機冷卻水管
7 三菱S16柴油機冷卻水管
8 座
9 座
10 螺帽
11 三菱S16柴油機皮帶輪( 三菱S16柴油機充電機驅動用)
12 鍵
13 三菱S16柴油機水泵( 約40 kg)
14 管接頭
15 管
16 支架

三菱S16柴油機恒溫器殼體、冷卻水管的拆卸,檢修
拆卸順序
1 管接頭
2 三菱S16柴油機旁通水管
3 三菱S16柴油機旁通水管
4 左側三菱S16柴油機恒溫器殼體
5 右側三菱S16柴油機恒溫器殼體
6 管接頭
7 三菱S16柴油機冷卻水管
8 三菱S16柴油機冷卻水管
9 座
10 座
11 螺帽
12 三菱S16柴油機皮帶輪( 三菱S16柴油機充電機驅動用)
13 鍵
14 三菱S16柴油機水泵( 約40 kg)
1.6 拆卸三菱S16柴油機水泵
使用套筒拆卸螺帽。

2. 三菱R16柴油發動機冷卻系統的解體、檢修、組裝
2.1 三菱S16柴油機張緊輪的解體、檢修

三菱S16柴油機張緊輪的解體、檢修
解體順序
1 三菱S16柴油機張緊輪座
2 卡環
3 三菱S16柴油機張緊輪
4 卡環
5 軸承
6 隔板
7 軸承
2.1.1 檢修三菱S16柴油機張緊輪
檢測三菱S16柴油機張緊輪和軸的軸承安裝部位,嚴重磨損時更換軸承、三菱S16柴油機張緊輪或三菱S16柴油機張緊輪座。

2.2 三菱S16柴油機恒溫器的解體,檢測

三菱S16柴油機恒溫器的解體,檢測
解體順序
1 三菱S16柴油機恒溫器端蓋
2 卡環
3 三菱S16柴油機恒溫器
4 三菱S16柴油機恒溫器密封
5 三菱S16柴油機恒溫器殼體

三菱S16柴油機空氣冷卻器用三菱S16柴油機恒溫器規格
三菱S16柴油機恒溫器的解體,檢測
解體順序
1 三菱S16柴油機恒溫器端蓋
2 卡環
3 三菱S16柴油機恒溫器
4 三菱S16柴油機恒溫器密封
5 三菱S16柴油機恒溫器端蓋
6 排氣閥
7 三菱S16柴油機恒溫器殼體
2.3 三菱R16柴油發動機缸套冷卻水用、空氣冷卻水用三菱S16柴油機恒溫器的檢測
2.3.1 檢查三菱S16柴油機恒溫器的密封
(1) 檢查三菱S16柴油機恒溫器用的密封,如有老化或龜裂時更換新的密封。
(2) 密封的裝配方向如圖所示。

2.3.2 三菱R16柴油發動機缸套冷卻水用、空氣冷卻水用三菱S16柴油機恒溫器的動作檢測
(1) 將三菱S16柴油機恒溫器放入裝滿水的容器內。
(2) 加熱水的同時用溫度表測量水溫, 測定閥開始打開和閥升高至標準值時的溫度。和標準值的溫度相差很大時,更換新品。
注:(a) 用棒攪拌,使容器內的水溫保持均勻。(b) 安裝三菱S16柴油機恒溫器時,必須先確認三菱S16柴油機恒溫器的閥側面的開閥溫度刻印。


2.4 三菱S16柴油機水泵的解體、檢修

三菱S16柴油機水泵的解體、檢修
解體順序
1 卡環
2 泵蓋
3 O形圈
4 葉輪
5 螺帽
6 三菱柴油機油封軸套
7 O形圈
8 三菱S16柴油機水泵齒輪
9 軸承
10 卡環
11 三菱S16柴油機水泵軸
12 環
13 組合式密封
14 三菱柴油機油封
15 卡環
16 軸承
17 泵體( 約21 kg)
18 O形圈
2.4.1 三菱S16柴油機水泵在安裝狀態時的檢測
目測檢查泵體中央下部的排水口。如果有水滲漏,說明組合式密封不良。如果有潤滑油滲漏,說明三菱柴油機油封不良。

2.4.2 拆卸葉輪
(1) 用三菱S16柴油機水泵拆卸器將固定泵蓋的卡環拆除,拆下泵蓋。

(2) 用葉輪拆卸器將葉輪拔出。

2.4.3 拆卸三菱S16柴油機水泵軸
(1) 拆卸三菱柴油機油封軸套。
(2) 用齒輪拆卸器將齒輪和球軸承一起拆出。
(3) 拆卸三菱S16柴油機水泵葉輪側球軸承的卡環。
(4) 將環拆卸工具的2個半圓環按照圖示嵌入在組合式密封圈和泵體之間。
(5) 用外圈套住不使半圓環脫落。
(6) 用手動壓力器等在三菱S16柴油機水泵軸的葉輪側端面加壓,拆卸組合式密封圈和軸。

2.5 檢測三菱S16柴油機水泵
測量三菱S16柴油機水泵泵體和軸的軸承裝配部位、軸承的外徑和內徑。超出標準值時,更換新品。

2.6 三菱S16柴油機水泵的組裝

三菱S16柴油機水泵的組裝
2.6.1 安裝三菱柴油機油封
(1) 用安裝器將三菱柴油機油封壓入泵體,使三菱柴油機油封和泵體的壓入端的端面平齊。
(2) 在三菱柴油機油封的唇口涂抹潤滑油。

2.6.2 安裝組合式密封( 固定側)
(1) 在組合式密封( 固定側) 的外周涂抹密封劑(ThreeBond 1102)。
(2) 用組合式密封安裝器將組合式密封壓入三菱S16柴油機水泵泵體。

2.6.3 安裝三菱S16柴油機水泵軸
壓入三菱S16柴油機水泵軸時,注意不要損傷安裝在泵體內的三菱柴油機油封和組合式密封( 固定側)。
(1) 將葉輪側球軸承壓入三菱S16柴油機水泵軸。
(2) 緩慢地將三菱S16柴油機水泵軸壓入泵體,至球軸承端面和泵體接觸。
(3) 將卡環確實裝入槽內。

2.6.4 安裝組合式密封環、組合式密封( 回轉側)
(1) 將組合式密封( 回轉側) 安裝在組合式密封環上。
(2) 在組合式密封( 回轉側) 上涂敷LLC。
(3) 用安裝器平穩地壓入組合式密封環至規定的位置。

2.6.5 安裝三菱S16柴油機皮帶輪側球軸承
(1) 齒輪通過鍵和軸裝配。
(2) 用壓力機壓入三菱S16柴油機皮帶輪螺帽側球軸承。

2.6.6 壓入三菱S16柴油機水泵葉輪
用壓力機壓入三菱S16柴油機水泵葉輪。這時,三菱S16柴油機水泵葉輪的輪轂端面要和三菱S16柴油機水泵軸的端面平齊。

2.6.7 安裝三菱柴油機油封軸套
(1) 三菱柴油機油封軸套內裝入O形圈。
(2) 軸套外端有倒角的端面朝外側( 三菱S16柴油機皮帶輪側),插入泵軸內。

2.7 三菱S16柴油機空氣冷卻器水泵的解體、檢修

三菱S16柴油機空氣冷卻器水泵的解體、檢修
解體順序
1 三菱S16柴油機水泵皮帶輪
2 卡環
3 卡環
4 泵蓋
5 葉輪
6 三菱S16柴油機水泵軸
7 球軸承
8 球軸承
9 組合式密封
10 三菱S16柴油機水泵殼體
2.7.1 三菱S16柴油機水泵在安裝狀態時的檢測
用手指觸摸泵體中央下部的排水口。如果有水或油滲漏,說明組合式密封不良。

2.7.2 拆卸三菱S16柴油機水泵皮帶輪
將三菱S16柴油機水泵皮帶輪拆卸器拆卸孔上,拆卸三菱S16柴油機水泵皮帶輪。

2.7.3 拆卸葉輪
(1) 用三菱S16柴油機水泵拆卸器將固定泵蓋的卡環拆除,拆下泵蓋。

(2) 用葉輪拆卸器將葉輪拔出。

2.7.4 拆卸三菱S16柴油機水泵軸
用手動壓力器等在三菱S16柴油機水泵軸的葉輪側端面加壓,將三菱S16柴油機水泵軸和球軸承一起拆卸。


三菱S16柴油機空氣冷卻器用海水泵的解體、檢修
解體順序
1 泵蓋
2 三菱S16柴油機水泵葉輪
3 泵體
4 板
5 卡環、組合式密封、襯套
6 擋圈
7 螺帽
8 三菱S16柴油機水泵皮帶輪
9 卡環
10 三菱S16柴油機水泵軸
11 軸承
12 三菱柴油機油封
13 座
14 凸緣片
三菱S16柴油機空氣冷卻器水泵、海水泵的檢修(PTAW 規格)
測量三菱S16柴油機水泵泵體和軸的軸承裝配部位、軸承的外徑和內徑。超出標準值時,更換新品。

(MPTK 規格)
測量三菱S16柴油機水泵泵體和軸的軸承裝配部位、軸承的外徑和內徑。超出標準值時,更換新品。

2.9 三菱S16柴油機空氣冷卻器水泵的組裝

三菱S16柴油機空氣冷卻器水泵的組裝
2.9.1 安裝組合式密封( 固定側)
(1) 在組合式密封( 固定側) 的外周涂抹密封劑(ThreeBond 1102)。
(2) 用組合式密封安裝器將組合式密封壓入三菱S16柴油機水泵泵體。
注: 組合式密封從泵體內拆出后必須更換新品。

2.9.2 安裝三菱S16柴油機水泵軸
壓入三菱S16柴油機水泵軸時,注意不要損傷安裝在泵體內的組合式密封( 固定側) 和三菱S16柴油機水泵軸。
(1) 葉輪側球軸承的罩板側朝向葉輪側,壓入三菱S16柴油機水泵軸。
(2) 緩慢地將三菱S16柴油機水泵軸壓入泵體,至球軸承端面和泵體接觸。
(3) 球軸承的回轉部分充填WPH 油脂( 協同油脂㈱生產)。

2.9.3 安裝球軸承
(1) 三菱S16柴油機皮帶輪側的球軸承回轉部分和三菱S16柴油機水泵泵體內充填WPH油脂( 協同油脂㈱生產)。
(2) 球軸承的罩板側朝向葉輪側,壓入三菱S16柴油機水泵軸。
(3) 將卡環確實裝入槽內。

2.9.4 壓入三菱S16柴油機水泵葉輪
(1) 將組合式密封( 回轉側) 壓入三菱S16柴油機水泵葉輪。
(2) 用壓力機壓入三菱S16柴油機水泵葉輪。這時,三菱S16柴油機水泵葉輪的輪轂端面要和三菱S16柴油機水泵軸的端面平齊。

2.9.5 安裝三菱S16柴油機水泵皮帶輪
將三菱S16柴油機水泵皮帶輪壓入三菱S16柴油機水泵軸。


三菱S16柴油機空氣冷卻器用海水泵的組裝
2.9.6 安裝三菱柴油機油封
(1) 用安裝器將三菱柴油機油封壓入泵體,使三菱柴油機油封和泵體的壓入端的端面平齊。
(2) 在三菱柴油機油封的中空部和唇口涂抹油脂。

2.9.7 安裝凸緣片
(1) 凸緣片和泵體的接合面涂抹密封劑(Three Bond1102)。
(2) 將凸緣片裝入泵體,按照規定的扭矩緊固螺栓。

2.9.8 安裝組合式密封( 固定側)
(1) 在組合式密封( 固定側) 的外周涂抹密封劑(ThreeBond 1102)。
(2) 用組合式密封安裝器將組合式密封用手緩慢地插入襯套內。
注:(a) 插入時不能使用錘子等。(b) 不要損傷組合式密封的滑動接觸面。

2.9.9 安裝三菱S16柴油機水泵軸
(1) 使用安裝器將球軸承壓入三菱S16柴油機水泵軸。
(2) 使用安裝器將球軸承壓入三菱S16柴油機水泵座。
(3) 將卡環嵌入座內。

2.9.10安裝擋圈、襯套
(1) 將擋圈安裝在軸上。
(2) 將襯套安裝在座上。
(3) 用酒精清洗組合式密封(固定側)的密封接觸面后,涂敷透平油。同時,確認接觸面上無損傷或灰塵。

2.9.11安裝組合式密封( 回轉側)
(1) 用酒精清洗組合式密封( 回轉側) 的接觸面和內面后,涂敷透平油。
(2) 將組合式密封( 回轉側) 插入三菱S16柴油機水泵軸。
注: 確認組合式密封( 回轉側) 垂直插入。斜側插入狀態時,會影響卡環安裝或漏水。
(3) 將卡環安裝在三菱S16柴油機水泵軸上。

2.9.12安裝泵體
(1) 座和泵體的安裝面涂抹密封劑(Three Bond 1101)。
(2) 將泵體安裝在座上,按照規定的扭矩緊固螺栓。

2.9.13安裝葉輪
將葉輪擊入軸。
注: 葉輪葉端的彎曲方向和三菱S16柴油機水泵的回轉方向相反。

2.9.14安裝端蓋
將端蓋安裝在泵體上,按照規定的扭矩緊固螺栓。

2.9.15安裝三菱S16柴油機水泵皮帶輪
將三菱S16柴油機水泵皮帶輪安裝在三菱S16柴油機水泵軸上,按照規定的扭矩緊固螺帽。
