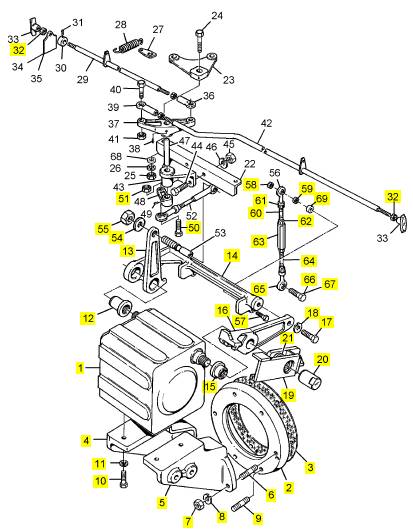
珀金斯Perkins 4012柴油發動機發電機680/102執行器
項次 零配件編號 最近的零配件編號 描述
1 680/102 1 680/102 執行器
(1) 半徑/680/102 1 半徑/680/102 執行器
2 SEV188D/37 1 SEV188D/37 架設板
3 494/130 1 494/130 墊片
4 SEV188C/37 1 SEV188C/37 架
5 SEV188B/37 1 SEV188B/37 架
6 316479 2 316479 圖釘
7 317012 6 317012 螺帽
8 318210 6 318210 彈簧墊片
9 316482 4 316482 圖釘
10 314060 4 314060 CAPSCREW
11 318209 4 318209 彈簧墊片
12 374/1382 1 374/1382 節流閥桿襯套
13 SEV188E/40 1 SEV188E/40 桿
14 SEV188C/40 1 SEV188C/40 桿
15 374/1383 1 374/1383 節流閥桿襯套
16 SEV188D/40 1 SEV188D/40 桿
17 312064 2 312064 固定螺釘
18 2086/010 2 2086/010 彈簧墊片
19 SEV188F/40 1 SEV188F/40 桿
20 340/420 1 340/420 合釘
21 536/31 1 536/31 彈簧
32 317011 2 317011 公制的螺帽
50 312042 1 312042 固定螺釘
51 317409 1 317409 螺帽
54 318012 1 318012 墊圈
55 317412 1 317412 螺帽
57 312042 2 312042 固定螺釘
58 317409 2 317409 螺帽
59 374/1385 2 374/1385 距離塊
60 480/1180 2 480/1180 桿
61 319/142 2 319/142 螺帽
62 317009 6 317009 螺帽
63 319/141 2 319/141 調整螺帽
64 480/1179 2 480/1179 桿
65 296/38 4 296/38 球窩關節
66 312039 3 312039 螺絲
67 310024 1 310024 公制的螺拴
69 347/568 1 347/568 距離塊

溫馨提示
我司建立了一套完整的英國Perkins零配件供應體系,全天候快速響應,純正的Perkins配件是您最佳的選擇,因為您所得到的是延長Perkins動力系統壽命的最佳保證。
網頁中公布的Perkins發動機配件號與圖片僅為參考,因 Perkins動力系統零配件型號與技術參數太多,沒能全部展示,如有配件與維修技術資料方面的需求,請與本司的在線客服溝通與交流,希望我們能夠幫您節約更多等待備件時間和維修技術方面的困難。
特別聲明:我司只銷售Perkins原廠配件,需付廠或防品件請繞道,謝謝。