珀金斯Perkins4008柴油發動機發電機氣閥門、座圈、座圈、導管
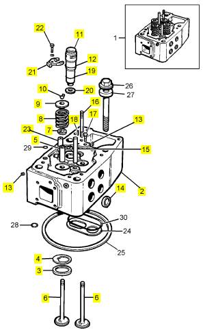
序號 零配件號碼 近期零配件號碼 描述
2 1 汽缸蓋
3 740/98 4 740/98 氣門座圈
4 SE7E/27 2 SE7E/27
5 392/42 2 392/42 導管
6 SE7R/14 4 SE7AK/14 氣閥門
6 SE7AA/14 4 SE7AK/14 氣閥門
6 SE7R/14 4 SE7AK/14 氣閥門
6 SE7V/14 4 SE7AK/14 氣閥門
7 SE7A/17 2 SE7D/17 氣門X
8 365/472 4 365/472 氣門彈簧
9 L7C/15 4 L7C/15
10 HW7B/18 8 HW7B/18 氣門鎖夾
11 SE1R/12 1 SE1R/12 銅套
12 576/176 2 576/176 密封O圈
13 641/23 1 641/23 堵塞
14 642/25 10 642/25 堵塞
15 340/397 2 340/434 固定銷
16 2121/1 1 2121/1 圖釘
17 312060 1 312060 固定螺釘
18 55/69 2 55/69 SPIROL 銷
19 576/139 1 576/139 密封O圈
20 277/139 1 277/139 墊圈
21 SE1E/42 1 SE1E/42
22 314102 1 314102 CAPSCREW
23 SE1/45 1 SE1/45 導管

溫馨提示
我司建立了一套完整的英國Perkins零配件供應體系,全天候快速響應,純正的Perkins配件是您最佳的選擇,因為您所得到的是延長Perkins動力系統壽命的最佳保證。
網頁中公布的Perkins發動機配件號與圖片僅為參考,因 Perkins動力系統零配件型號與技術參數太多,沒能全部展示,如有配件與維修技術資料方面的需求,請與本司的在線客服溝通與交流,希望我們能夠幫您節約更多等待備件時間和維修技術方面的困難。
特別聲明:我司只銷售Perkins原廠配件,需付廠或防品件請繞道,謝謝。