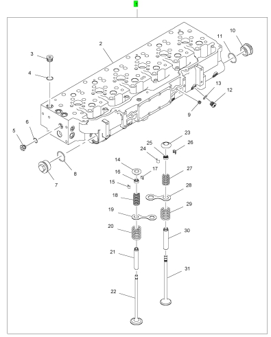
Perkins柴油發電機T400741汽缸蓋、氣門、座圈、導管、氣缸墊 1506A
項目 零配件號碼 最近的部分號碼 描述
1 T400741 1 T400741 汽缸蓋組合
(1) T400741R 1 T400741R 汽缸蓋裝備 -EXCH

項目 零配件號碼 最近的部分號碼 描述
2 1 汽缸蓋組合
3 T400428 2 T400428 栓塞
4 CH10146 2 CH10146 密封 - O 的圈
5 T400427 1 T400427 栓塞
6 CH11880 1 CH11880 密封 - O 的圈
7 T400763 1 T400763 栓塞
8 T400762 1 T400762 密封 - O 的圈
9 CH10258 2 CH10258 栓塞
10 T400763 1 T400763 栓塞
11 T400762 1 T400762 密封 - O 的圈
12 T400427 5 T400427 栓塞
13 CH11880 5 CH11880 密封 - O 的圈
14 T400746 12 T400746 承件
15 CH11789 12 CH11789 鎖緊螺母
16 T400753 12 T400753 密封 - 氣門轉桿
17 CH11789 12 CH11789 鎖緊螺母
18 T400761 12 T400761 氣門彈簧
19 T400748 6 T400748 氣門彈簧位子
20 T400751 12 T400751 氣門彈簧
21 T400742 12 T400742 導管
22 T400744 12 T400744 進氣門
23 T400747 12 T400747 承件
24 CH10019 12 CH10019 氣門筒夾
25 CH11486 12 CH11486 密封 - 氣門轉桿
26 CH10019 12 CH10019 氣門筒夾
27 T400750 12 T400750 氣門彈簧
28 T400749 6 T400749 氣門彈簧位子
29 T400752 12 T400752 氣門彈簧
30 T400743 12 T400743 導管
31 T400745 12 T400745 排氣氣門

項目 零配件號碼 最近的部分號碼 描述
1 T400767 1 T400767 螺拴
2 CH11759 1 CH11759 墊圈
3 CH11724 1 CH11724 螺拴
4 CH10277 1 CH10277 墊圈
5 CH11785 1 CH11785 栓塞
6 T400764 1 T400764 密合墊 - 汽缸蓋

項目 零配件號碼 最近的部分號碼 描述
1 T400758 6 T400758 密封 - O 的圈
2 T400759 6 T400759 密封 - O 的圈
3 T400755 6 T400755 氣門座氣門座圈
4 T400755 6 T400755 氣門座氣門座圈
5 T400757 6 T400757 氣門座氣門座圈
6 T400757 6 T400757 氣門座氣門座圈
7 T400756 6 T400756 套筒
8 CH11869 6 CH11869 栓塞
9 CH11870 2 CH11870 栓塞
10 CH11869 1 CH11869 栓塞
11 CH11870 6 CH11870 栓塞
12 CH11870 10 CH11870 栓塞
