操作和保養手冊
1506A-E88TA 和 1506C-E88TA 工業發動機
LG(發動機)
This document has been printed from SPI2. NOT FOR RESALE
![]()
![]()
![]()
![]()

重要安全事項
產品的操作、保養和修理中的大多數事故,都是由于不遵守基本安全規則或預防措施引起的。若能在事
故發生前認識到各種潛在危險,事故往往是可以避免的。對各種潛在的危險,必須對工作人員提出警
告。還必須對工作人員進行培訓,使其掌握必要的技能和正確使用工具。
不正確的操作、潤滑、保養或修理產品是危險的,并會造成人身傷亡。
必須閱讀和理解產品的操作、潤滑、保養和修理的資料后,才可進行這些工作。
在本手冊中和在產品上都提供有安全預防措施和警告。如果對這些警告不予注意,會給自己或他人
造成人身傷亡。
識別危險用“安全警告符號”和“標志文字”,如“危險”、“警告” 或 “當心”。“警告” 標貼如下所示。
安全警告符號的含義如下:
注意!提高警惕! 事關您的安全。
警告的下面,說明危險的情況,有的用文字書寫,有的用圖形表示。
對能造成產品損壞的操作,在產品上和在本手冊中都以“注意”標貼表示。
� � � � 不能預料到可能發生危險的每一種情況。所以,本手冊和產品上提出的警告并不包括所有
情況。如果采用的工具、操作程序、工作方法或操作技術未經 Perkins 專門推薦,您必須保障您自己和
他人的安全。還要保證您所選擇的操作方法、潤滑、保養或修理程序不會損壞產品或造成不安全。
本手冊中的資料、技術規范和圖表是根據編寫當時可得到的資料匯編的。 所列舉的技術規范、扭矩、壓
力、測量值、調整值、圖表和其它項目,隨時都可能變更, 這些變更會影響對產品的維修。因此,在進
行各項作業前,必須獲得完整的最新的資料。 � � � � 代理商備有最新的資料。
本產品需要更換零件時, � � � � 推薦使用
Perkins 原廠生產的零件或者相同技術規范的零
件。相同的技術規范包括,但不局限于外形尺寸、
類型、強度和材料。
忽視此警告會導致過早發生故障、產品損壞甚至人
員傷亡。
This document has been printed from SPI2. NOT FOR RESALE
![]()
![]()
![]()
SCBU9070
3
目錄
目錄
加注容量........................................................42
保養建議........................................................55
保養周期表.....................................................58
保修部分
前言..................................................................4
安全部分
安全標志..........................................................5
一般危險信息...................................................6
防止燙傷..........................................................9
防火與防爆.....................................................10
防止壓傷和割傷.............................................11
上、下設備.....................................................11
起動發動機前..................................................12
發動機起動.....................................................12
發動機停機.....................................................12
電氣系統........................................................12
發動機電子裝置.............................................13
產品信息資料部分
保修信息資料..................................................80
參考資料部分
發動機額定功率.............................................81
參考資料........................................................82
索引部分
索引................................................................84
概述................................................................14
產品識別信息資料..........................................21
操作部分
起吊和貯存.....................................................23
功能部件和控制裝置......................................26
發動機診斷.....................................................34
發動機起動.....................................................35
發動機運行.....................................................38
寒冷天氣操作..................................................39
發動機停機.....................................................41
保養部分
This document has been printed from SPI2. NOT FOR RESALE
![]()
前言
4
SCBU9070
前言
保養周期
進行保養時,應同時做比該次規定時間間隔小的
前幾級的保養項目。我們建議復制一份保養計劃
表并展示在發動機附近,作為一種方便的提醒。
我們還建議將保養紀錄作為發動機永久性記錄的
一部分保存好。
文獻資料
本手冊包含安全事項、操作說明、潤滑和保養資
料。本手冊應存放在靠近發動機的一個文件夾內
或文件存放處。閱讀、分析本手冊并將它與文件
和發動機資料放在一起。
Perkins特約代理商或Perkins分銷商能夠幫助
您根據機器的運行環境的需要來調整您的保養計
劃。
英語是所有Perkins出版物的主要語言。使用英
語便于翻譯并保持一致。
大修
本手冊中的某些照片和圖示上顯示的細節或選裝
部件可能與您發動機上的有所不同。為了說明方
便,一些護罩和蓋板可能已經拿掉。產品設計的
不斷改進和發展可能對發動機有所改變,而這些
改變可能未編入本手冊中。當您對發動機或本手
冊有任何疑問時,請向您的Perkins代理商或
Perkins分銷商咨詢最新的資料。
除了大修時間和在此周期時的保養項目外,在操
作和保養手冊中沒有發動機大修的細節。只有
Perkins授權的人員才能進行大修。Perkins代
理商和Perkins分銷商可以提供大修程序的多種
方案。如果遇到重大的發動機故障時,還有許多
故障后大修的選擇方案。與Perkins代理商或
Perkins分銷商聯系以獲得這些方案。
安全
加利福尼亞州65號提案中的警告
安全部分列出了基本的安全注意事項。此外,本
部分還標出了各種危險情況和警告內容。在操
作、潤滑、保養和修理本發動機以前,要閱讀和
理解列在安全部分上的基本注意事項。
加利福尼亞州認為,柴油發動機排氣及其中的某
些成分會致癌,引起生育缺陷和其它生殖方面的
危害。蓄電池接線柱、端子和相關的附件中含有
鉛和鉛化合物。接觸后要洗手。
操作
在本手冊中指出的操作方法是最基本的。它們能
幫助操作人員提高技術和技能從而更有效、更經
濟地運轉發動機。當操作人員獲得發動機知識和
掌握其性能后,操作技巧和方法將得到提高。
操作部分是供操作人員參考的,各種照片和圖示
指導操作人員進行發動機的檢查、起動、運行和
停機。本部分還包含電子診斷方面的論述。
保養
保養部分是對發動機維護的指南。附有插圖的逐
步說明是按工作小時和(或)日歷時間保養周期
編排的。保養周期表中的項目參閱后面的詳細說
明。
應按保養周期表中指出的相應間隔期進行推薦的
保養。發動機的實際工作環境也會影響保養周
期。因此,在極度惡劣、多塵、潮濕或冰凍的寒
冷條件下運轉,可能需要比保養周期表中規定的
潤滑和保養次數多。
保養計劃中的保養項目是按預防性保養管理程序
編制的。如果遵照預防性保養管理程序進行保
養,那就不需要進行定期調整。履行預防性保養
管理程序,由于減少了計劃外停機和故障造成的
費用損失,將使運行成本降到最低。
This document has been printed from SPI2. NOT FOR RESALE
![]()
SCBU9070
5
安全部分
安全標志
安全部分
i06043752
安安全全標標志志
在發動機上可能有幾個特殊的警告標志。本部分
回顧這些警告標志的確切位置和描述。請熟悉所
有安全標志。
請確保所有安全標志都很清晰易讀。如果警告標
志的說明文字或插圖無法辨識,請清潔或更換。
用抹布、水和肥皂清洗警告標志。不要使用溶
劑、汽油和其它刺激性化學制品。溶劑、汽油或
刺激性化學制品可能會使粘貼安全標志的粘著劑
喪失粘性。松動的警告標志可能從發動機上脫
落。
更換所有損壞或丟失的警告標志。如果有警告標
志貼在了被更換的零件上,應在替換零件上粘貼
新的警告標志。您的Perkins經銷商可為您提
供新新警告標志。
(1) 通用警告
在在閱閱讀讀和和了了解解《《操操作作和和保保養養手手冊冊》》中中的的指指示示和和警警告告
之之前前,,請請勿勿操操作作機機器器。。不不遵遵守守這這些些警警告告,,可可能能會會導導
致致人人身身傷傷亡亡。。
圖1
g01154807
典型示例
通用警告標簽 (1)位于兩個位置。警告標簽位于
氣門機構蓋右側和左側。
This document has been printed from SPI2. NOT FOR RESALE
![]()
![]()
![]()

![]()
![]()
6
SCBU9070
安全部分
一般危險信息
圖2
g03732105
典型示例
i06043783
•篡改發動機的裝置或篡改OEM提供的接線是危險
的。可能會引起人身傷害、財物損壞或造成發動
機損壞。
一一般般危危險險信信息息
•當發動機運行在封閉場所時,應將發動機排氣排放
到室外。
•如果發動機不在運轉狀態,不要釋放輔助制動或停
車制動系統,除非車輛被阻塞或限制而無法移動。
•請按要求戴上安全帽、護目鏡和其他保護裝備。
•在運轉的發動機周圍工作時,為了防止損傷聽力,
應佩帶聽覺防護裝備。
•不要穿寬松的衣服或佩帶首飾,因為它們可能勾住
控制裝置或發動機的其他零件。
•請確保所有護板和罩蓋都固定在發動機的正確位置
上。
•切勿將保養液體倒入玻璃容器內。因為玻璃容器
容易破碎。
圖3
g00037887
維修或修理發動機以前,在起動開關或控制裝置
上掛一個 “不準操作”的警告標簽或類似的警告標
簽。在發動機和每個操作員操控臺上都掛上警告
標簽。必要時,斷開起動控制裝置。
•小心使用所有清洗溶液。
•報告所有必要的修理。
除非另有說明,否則應在下列情況下進行保養:
當保養發動機時,任何未經許可的人員不得在發
動機上或發動機周圍。
This document has been printed from SPI2. NOT FOR RESALE

![]()
![]()

![]()
![]()
SCBU9070
7
安全部分
一般危險信息
•發動機停機。確保發動機不能被起動。
•保護鎖定裝置或控制裝置應處于起作用位置。
•接合輔助制動器或停車制動器。
•進行保養或維修之前,阻塞或限制住車輛,使其不
能移動。
•在進行保養時或維修電氣系統時,要斷開蓄電池。
斷開蓄電池接地導線。用膠帶包住導線以防止火
花產生。如有配備,斷開蓄電池前,先凈化柴油
排氣處理液。
•如有配備,斷開位于氣門蓋底座上的單體噴油器接
頭。此動作將有助于防止單體噴油器的高電壓對
人身造成傷害。發動機運轉時,不要接觸單體噴
油器接線端子。
圖4
g00702020
•請按要求戴上安全帽、護目鏡和其他保護裝備。
•不要試圖在發動機運轉時進行任何維修或調整。
•在運轉的發動機周圍工作時,為了防止損傷聽力,
應佩帶聽覺防護裝備。
•不要試圖修理您不了解的東西。使用適當的工
具。更換或修理損壞的設備。
•不要穿寬松的衣服或佩帶首飾,因為它們可能勾住
控制裝置或發動機的其他零件。
•對于初次起動的新發動機或維修后的發動機,應做
好發生超速時的進行停機操作的準備。可通過斷
開燃油供給和/或空氣供給關閉發動機。確保只有
供油管切斷。確保回油管打開。
•請確保所有護板和罩蓋都固定在發動機的正確位置
上。
•切勿將保養液體倒入玻璃容器內。因為玻璃容器
容易破碎。
•應從操作員操作臺(駕駛室)起動發動機。決不
要靠短接起動馬達端子或蓄電池來起動發動機。
此動作會旁通發動機空檔起動系統和/或電氣系統
可能會受到損壞。
•小心使用所有清洗溶液。
•報告所有必要的修理。
發動機排氣含有可能對人體有害的燃燒產物。一
定要在通風良好的地方起動和運行發動機。如果
發動機處于封閉區域,應將發動機廢氣排到外面
去。
除非另有說明,否則應在下列情況下進行保
養:
•發動機停機。確保發動機不能被起動。
小心拆卸下列零件。為了防止壓力液體的噴濺,
拿一塊布蓋在被拆零件上。
•在進行保養時或維修電氣系統時,要斷開蓄電池。
斷開蓄電池接地導線。用膠帶包住導線以防止火
花產生。
•加注口蓋
•黃油嘴
•測壓口
•呼吸器
•排放螺塞
•不要試圖修理您不了解的東西。使用適當的工
具。更換或修理損壞的設備。
壓縮空氣和加壓水
壓縮空氣和/或加壓水可將碎屑和/或熱水吹出
來。這種行為可能會導致人身傷害。
拆卸蓋板時要小心。逐漸松開但不拆卸位于蓋板
或裝置上相對兩端的最后兩個螺栓或螺母。在拆
下最后兩個螺栓或螺母之前,將蓋撬松,以便釋
放彈簧壓力或其他壓力。
使用壓縮空氣和/或加壓水進行清洗時,請穿戴
防護衣、防護鞋和眼部護具。眼部護具包括護目
鏡及防護面罩。
用于清理的最大氣壓一定要低于205kPa
(30psi)。用于清潔的最大水壓一定要低于
275kPa(40psi)。
This document has been printed from SPI2. NOT FOR RESALE
![]()

![]()
![]()
8
SCBU9070
安全部分
一般危險信息
液體穿透
即使發動機已經熄火很久,液壓回路中仍可能滯
留壓力。如果沒有正確地釋放壓力,會導致液壓
油或管塞之類的物體高速射出。
供油時,要避免靜電危險。相比早先的較高含硫量
柴油配方,超低硫柴油(ULSD)會造成較大的靜電
點火危害。避免火災或爆炸造成嚴重的傷亡事故。
咨詢您的燃油或柴油系統供應商,確保輸油系統符
合正確接地和搭接方法的供油標準。
在釋放壓力之前,不可拆卸任何液壓零部件,否
則會造成人身傷害。在釋放壓力之前,不可拆解
任何液壓零部件,否則會造成人身傷害。有關釋
放液壓壓力所需的任何步驟,請參閱OEM資料。
吸入
圖5
g00687600
圖6
g00702022
請務必使用木板或硬紙板來檢查泄漏。在壓力下
所噴出的液體可能會穿透人體組織。液體穿透進
入身體會造成嚴重的人身傷害,甚至可能導致死
亡。即使是一個針孔大小的泄漏,也可能導致嚴
重的人身傷害。如果油液噴射進您的皮膚,必須
立刻治療。要找熟悉這類創傷的醫生來治療。
排氣
請小心謹慎。排氣煙氣可能會對健康有害。如
果您在封閉區域操作該設備,有必要進行適當的
通風。
盛裝泄漏的液體
石棉資料
在檢查、保養、測試、調整及維修產品時,請小
心確保盛接油液。在打開任何艙室或拆卸任何含
有油液的部件前,請準備好盛接液體用的適當容
器。
從Perkins發動機有限公司運輸的Perkins設備
和更換零件不含石棉。Perkins建議只使用原裝
Perkins更換零件。當您處理任何含有石棉的替
換零件或石棉屑時,請遵循下列準則。
按照本地法規和要求處置所有油液。
請小心謹慎。避免吸入在處理含有石棉纖維的零
件時可能產生的粉末。吸入該粉塵可能有害您的
健康。可能含有石棉纖維的零件包括:制動器磨
擦片、制動器制動帶、襯墊材料、離合器磨擦片
和一些密封墊。在這些零件中的石棉纖維,通常
是浸漬在樹脂中或是用某種方法密封起來的。除
非產生的石棉灰塵飄浮在空中,否則一般的處理
方式是無害的。
用超低硫柴油加注時會出現靜電危害
除去超低硫柴油(ULSD燃油)中的硫和其他化合
物可降低ULSD的傳導性和提高ULSD儲存靜電
的能力。煉油廠可能已用防靜電添加劑處理過燃
油。隨著時間的推移,各種因素都會降低添加劑
的效力。在燃油流過輸油系統時,ULSD燃油中
會堆積靜電荷。當存在可燃蒸汽時,靜電放電可
能會導致火災或爆炸。確保機器的整個供油系統
(燃油箱、輸油泵、輸油軟管、噴油嘴及其他)
的接地和連接方法正確。咨詢您的燃油或燃油系
統供應商,確保輸油系統符合正確接地和搭接方
法的供油標準。
如果出現可能含有石棉的粉塵時,應該遵循下列
的指引:
This document has been printed from SPI2. NOT FOR RESALE
![]()
![]()

![]()
![]()
![]()

![]()
![]()
SCBU9070
9
安全部分
防止燙傷
•切勿使用壓縮空氣來清理。
•避免擦刷含有石棉的材料。
•避免打磨含有石棉的材料。
•以濕法去清理石棉材料。
冷卻液
發動機處于工作溫度時,發動機的冷卻液是熱
的,而且處于壓力下。散熱器和通向加熱器或
發動機的所有管道內都有熱的冷卻液
觸摸熱的冷卻液或蒸汽都會造成嚴重燙傷。泄放
冷卻系統以前,讓冷卻系統部件先冷卻下來。
•也可使用配備有高效空氣顆粒濾清器(HEPA)的真
空吸塵器來清理。
在發動機停機和冷卻后,檢查冷卻液液位。
•長期進行機加工作業時,使用排氣通風裝置。
確保加液口蓋冷卻后再將其打開。蓋溫必須達到
徒手可以觸摸的溫度。慢慢拆下加注口蓋,以便
釋放壓力。
•如果沒有其他方法控制粉塵,應戴上有效的防塵面
具。
冷卻系統添加劑含堿。堿性物質會造成人身傷
害。不要讓堿接觸皮膚,也不要讓其進入眼睛或
嘴。
•遵守為工作地點所適用的規章和制度。在美國,
應符合職業安全與健康管理局(OSHA)的要求。
這些職業安全與健康管理局(OSHA)的要求可在
29CFR1910.1001中找到。
機油
•請遵守環保法規處置石棉廢棄物。
•遠離空氣中可能有石棉微粒的場所。
反復或長時間接觸礦物油和合成基礎油之后,皮
膚可能會過敏。請參閱供應商的材料安全數據
表,了解詳細信息。高溫的機油和潤滑部件會造
成人身傷害。不要讓熾熱的機油接觸皮膚。應
佩戴適當的個人防護裝備
適當地處置廢棄物
柴油
柴油可能會刺激眼睛、呼吸系統和皮膚。長期接
觸柴油可能導致各種皮膚狀況。應佩戴適當的個
人防護裝備。請參閱供應商的材料安全數據表,
了解詳細信息。
蓄電池
電解液是酸性的,電解液會造成人身傷害。避
免電解液接觸皮膚或眼睛。保養蓄電池時一定要
戴防護眼鏡。接觸了蓄電池和接線柱后要洗手。
建議使用手套。
圖7
g00706404
不適當地處理廢棄物會對環境造成威脅。請按當
地法規來處理可能會有危害的液體。
使用防漏容器來盛裝排出的液體。切勿將廢棄物
傾倒在地面上、排水管中或任何水源里。
i06043745
防防止止燙燙傷傷
不要觸摸運轉中的發動機的任何部位。一定要待
發動機冷卻下來后,才對發動機進行保養。在斷
開任何管道、管接頭或相關零件之前,要釋放空
氣系統、液壓系統、潤滑系統、燃油系統或冷卻
系統中的全部壓力。
This document has been printed from SPI2. NOT FOR RESALE
![]()

![]()
![]()
10
SCBU9070
安全部分
防火與防爆
i06043784
導線必須保持在良好狀態。確保所有電線正確安
裝并且牢固連接。每天檢查所有的電線。請在
運轉發動機之前修復松動或磨損的電線。清潔并
緊固所有線路接頭。
防防火火與與防防爆爆
去掉所有無關的或不必要的導線。不要使用比推
薦規格小的導線或電纜。不得將任何保險絲和/
或斷路器旁通短接。
電弧或火花會引起火災。牢固連接、按照推薦布
設的線路和正確保養的蓄電池電纜有助于防止產
生電弧和火花。
確保發動機停轉。檢查所有的管路和軟管有無磨
損或老化。確保軟管布設正確。管路和軟管必
須有適當的支撐或牢固的管夾。
機油濾清器和燃油濾清器必須安裝正確。濾清器
殼體必須擰緊到正確的扭矩。有關更多信息,請
參閱拆解和裝配手冊。
圖8
g00704000
所有的燃油、大多數的潤滑油和某些冷卻液混合
物都是易燃品。
易燃液體滲漏或濺到熾熱表面或電器部件上時,
可能引起火災。火災會引起人身傷害和財產損
失。
操作緊急停止按鈕后,務必等待15分鐘,然后
才能取下發動機罩。
確定發動機是否在可燃氣體可被吸入進氣系統的
環境下運行。這些氣體會造成發動機超速。這
可能會導致人身傷害、財產損失或發動機損壞。
如果應用類型涉及存在可燃氣體的情況,請咨詢
您的Perkins代理商和/或Perkins分銷商,以
獲得關于適當防護裝置的更多資料。
清除發動機上的所有易燃或導電材料,例如燃
油、機油和碎屑。禁止在發動機上堆積任何易燃
或導電材料。
圖9
g00704059
向發動機加燃油的時候要小心謹慎。不要在向發
動機加燃油的時候吸煙。也不要在靠近明火或火
花的地方向發動機加燃油。切記加燃油前將發動
機熄火。
將燃油和潤滑劑裝入正確標記的容器內,并存放
在遠離未經授權人員的位置。將油布和其他易燃
物存放在保護性的容器內。切勿在存放易燃物的
場所吸煙。
供油時,要避免靜電危險。相比早先的較高含硫
量柴油配方,超低硫柴油(ULSD燃油)會造成較
大的靜電點火危害。避免火災或爆炸造成嚴重的
傷亡事故。咨詢您的燃油系統供應商,確保輸油
系統符合正確接地和搭接方法的供油標準。
不得讓發動機暴露在任何明火之下。
如果管路、管道和密封件損壞,排氣管隔熱板
(如有配備)可以保護熱的排氣管部件不被機油
或燃料的噴射到。排氣隔熱板必須正確安裝。
禁止在裝有易燃液體的管路或油箱上進行焊接。
禁止在裝有易燃液體的管路或油箱上進行火焰切
割。在焊接或火焰切割這些管路或油箱前,先用
不可燃的溶劑徹底將其清洗。
This document has been printed from SPI2. NOT FOR RESALE
![]()

![]()
![]()

![]()
![]()
SCBU9070
11
安全部分
防止壓傷和割傷
泄漏會造成火災。請與您的Perkins代理商或
Perkins分銷商聯系以獲取更換零件。
若出現下列任何一種情況,請更換零件:
•端接頭損壞或滲漏。
•外層有磨損或割傷。
•金屬線暴露在外。
•外層鼓包隆起。
•軟管的彈性零件扭曲。
•鎧裝護套嵌入外層。
•端接頭移位。
確保所有管夾、防護板和隔熱罩安裝正確。正確
的安裝有助于防止發動機工作時的振動、零部件
間的相互摩擦以及過量生熱。
圖10
g00704135
i03018585
蓄電池散發出來的氣體能引起爆炸。讓明火或火
花遠離蓄電池的頂部。不要在蓄電池充電的場所
吸煙。
防防止止壓壓傷傷和和割割傷傷
不得采用將金屬物體跨接在接線端子上的辦法來
檢查蓄電池的充電情況。必須使用電壓表或比重
計。
在部件下面工作時,部件應有可靠的支撐。
如果沒有提供另外的保養說明,在發動機運轉
時,切勿試圖進行調整。
跨接電纜連接不當可能會引起爆炸,造成人身傷
害。有關具體的說明,請參考本手冊的操作部
分。
避開所有轉動部件和運動部件。直到進行保養時
再拿掉保護罩。保養結束后重新裝上護罩。
將物件遠離轉動的風扇葉片。風扇葉片會拋出或
切割物件。
不得給凍結的蓄電池充電。凍結的蓄電池可能會
導致爆炸。
敲擊物件時,要戴護目鏡,以免傷及眼睛。
蓄電池必須保持清潔。每個電池柵格單元都必須
蓋好蓋子(如有配備)。在發動機運轉時,要使
用推薦的電纜、接頭和蓄電池箱蓋。
在敲擊物件時,碎片或其它碎屑會四處飛散。敲
擊物件之前,應確保周圍無人會被飛出的碎屑擊
傷。
滅火器
確保備有滅火器供使用。要熟悉滅火器的使用方
法。經常檢修滅火器。遵從指示板上的說明。
i05738738
上上、、下下設設備備
乙醚
乙醚是有毒且易燃的物質。
不要攀爬發動機。發動機不適合用作安裝或拆卸
位置。
更換乙醚罐或使用乙醚噴射裝置時切勿吸煙。
不要將乙醚罐存放在生活區或發動機艙室中。也
不要將乙醚罐存放在太陽光直射的地方,或者溫
度超過49°C(120°F)的地方。使乙醚罐遠離
明火或火花。
請參閱OEM信息以了解在具體應用中手和腳應抓
住哪些位置。
管路、管道和軟管
請勿將高壓管線彎折。請勿敲擊高壓管線。請
勿安裝任何受損的管路。
This document has been printed from SPI2. NOT FOR RESALE
![]()

![]()
![]()
12
SCBU9070
安全部分
起動發動機前
i04384340
一定要按照操作和保養手冊發動機起動(操作部
分)中所敘述的步驟起動發動機。了解正確啟動
步驟有助于防止發動機零部件的重大損壞。了解
正確啟動步驟有助于防止人身傷害。
起起動動發發動動機機前前
為確保水套水加熱器(如有配備)正常工作,在
加熱器操作期間,檢查水溫表和/或油溫表。
注意
初次起動新發動機或大修過的發動機和起動已經維修
過的發動機時,要作好出現超速時的停機準備。 這可
以通過切斷發動機的空氣和/或燃油供應來實現。
發動機排氣含有對人體有害的燃燒產物。一定要
在通風良好的地方起動和運行發動機。如果在一
個密閉的空間起動發動機,要將發動機廢氣排到
室外去。
注:發動機可能配備有冷起動設備。如果發動機將在
嚴寒下運轉,那么可能需要嚴寒輔助起動裝置。通
常,發動機將配備有適合于作業地區的輔助起動裝
置。
發發動動機機排排氣氣含含有有對對人人體體有有害害的的燃燃燒燒產產物物。。必必須須在在良良
好好通通風風的的場場所所起起動動和和運運轉轉發發動動機機,,如如果果在在封封閉閉場場
所所,,要要將將廢廢氣氣排排到到外外面面去去。。
i02128733
檢查發動機有無潛在危險。
發發動動機機停停機機
如果起動開關或操縱裝置上系有一個 “不準操作”
警告標簽或類似警告標簽,切勿起動發動機或移
動任何操控裝置。
遵循操作和保養手冊發動機停機(操作部分)進行
發動機停機操作,以便避免發動機過熱和發動機
部件的加速磨損。
啟動發動機前,確保發動機上面、下面或周圍附
近無人。確保附近沒有任何人員。
只有在緊急情況下才能使用緊急停機按鈕(如有
配備)。發動機正常停機時不要使用緊急停機按
鈕。在引起緊急停機的問題被解決之前,切勿起
動發動機。
如有配備,確保用于發動機的照明系統適合于工
況條件。確保所有照明燈工作正常。
如果進行維修作業必須啟動發動機,必須安裝好
所有保護罩、蓋。為了預防旋轉件引起事故,在
旋轉件周圍工作要小心。
如果新發動機或經大修后的發動機初次起動時發
生超速情況,使發動機停機。這可以通過切斷發
動機的供油和/或供氣來實現。
調速器拉桿斷開時不要起動發動機。
為使電子控制的發動機停機,要切斷發動機的電
源。
不要旁通自動關斷電路。不要停用自動關斷電
路。這種電路的設置是為了防止人身傷害,同
時也可防止發動機損壞。
i06043758
電電氣氣系系統統
i06043726
發發動動機機起起動動
充電器正在工作時,切勿從蓄電池上斷開任何充
電器電路或蓄電池電路電纜。否則,由某些蓄電
池產生的易燃氣體可能被火花點燃。
為有助于防止火花點燃某些蓄電池產生的可燃氣
體,負極 “−”電纜應該最后從外接電源連接到起
動馬達的負 “−”接線柱。如果起動馬達沒有配
備負 “−”接線柱,請把電纜連接到缸體。
不不要要使使用用類類似似乙乙醚醚的的噴噴霧霧劑劑輔輔助助起起動動。。否否則則可可能能導導
致致爆爆炸炸和和人人身身傷傷害害。。
如果發動機起動開關或操控裝置上系有一個警告
標簽,切勿起動發動機或扳動操作裝置。在起動
發動機前,要向掛警告標簽的人咨詢。
每天檢查電線有無松動或擦破。在發動機起動之
前,擰緊所有松動的電氣連接。發動機起動之
前,要修理好所有擦破的電線。請參閱操作和保
養手冊以了解具體的起動說明。
如果進行維修作業必須啟動發動機,必須安裝好
所有保護罩、蓋。為了預防旋轉件引起事故,在
旋轉件周圍工作要小心。
從駕駛室或用發動機起動開關起動發動機。
This document has been printed from SPI2. NOT FOR RESALE
![]()
![]()
![]()
![]()
![]()
![]()
![]()
SCBU9070
13
安全部分
發動機電子裝置
接地規程
i06043733
發發動動機機電電子子裝裝置置
擅擅自自改改動動電電子子系系統統或或原原始始設設備備制制造造商商(OEM)的的接接線線
安安裝裝是是危危險險的的,,可可能能導導致致人人身身傷傷亡亡和和/或或發發動動機機損損
害害。。
本發動機具有全面的、可編程的發動機監控系
統。發動機控制模塊(ECM)將監控發動機工作狀
況。如果任何發動機參數超出容許范圍,ECM將
立即采取行動。
發動機監控控制可采取以下行動:警告,減額和
停機。這些發動機監控模式可能限制發動機轉速
和/或發動機功率。
可以根據發動機監控功能對由ECM監控的許多參
數進行編程。作為發動機監控系統的一部分,以
下參數可以被監控:
圖11
g03741350
典型示例
•工作海拔
(1)蓄電池至接地柱頭螺栓
(2)蓄電池至起動馬達至接地柱頭螺栓
•發動機冷卻液液位
•發動機冷卻液溫度
•發動機機油壓力
•發動機轉速
為獲得發動機的最佳性能和可靠性,必要將發動
機電氣系統正確接地。接地不當會造成電路失控
和不可靠。
失控的電路會對曲軸的軸承軸頸表面和鋁質部件
造成損壞。
•燃油溫度
未安裝發動機至機架接地帶的發動機可能因電氣
放電而損壞。
•進氣歧管空氣溫度
•系統電壓
為確保發動機和發動機電氣系統工作正常,必須
使用與蓄電池直接相連的發動機到機架的接地
帶。這種直接相連可通過將發動機接地線直接連
接到機架實現。
發動機監控程序包可能會因發動機型號和應用差
異而變化。但是,對所有發動機來說,監控系統
和發動機監控控制將是相似的。
接地連接應當緊湊、無腐蝕。發動機交流發電機
必須接地至蓄電池負極 “-” 端子。所使用的導
線必須足以應付交流發電機的完全充電電流。
注:許多可用于Perkins發動機的發動機控制系統和
顯示模塊將與發動機監控系統協調工作。這兩種控制
系統將一起提供為特定發動機應用所需的發動機監控
功能。有關更多信息,請參考故障診斷與排除手冊。
發動機的電源連接和接地連接都應從蓄電池的隔
離器引出。
This document has been printed from SPI2. NOT FOR RESALE
![]()
![]()

![]()
![]()
![]()
14
SCBU9070
產品信息資料部分
機型視圖
產品信息資料部分
概述
i06043777
機機型型視視圖圖
以下機型視圖中所示為發動機的典型特性。由于
具體應用不同,您的發動機可能看起來與圖中所
示有所差異。
發動機和散熱器
圖12
g03733708
典型示例
(1)發動機空氣濾清器保養指示器
(2)檢查護罩
(3)散熱器
(4)散熱器壓力蓋
(5)空對空后冷器
(6)防雨蓋
(7)空氣濾清器
(8)真空閥(防塵閥)
This document has been printed from SPI2. NOT FOR RESALE

![]()
![]()
SCBU9070
15
概述
機型視圖
發動機視圖
圖13
g03734120
典型示例
(9)冷卻風扇
(10)機油加注口蓋
(11)起動馬達組件
(12)燃油注油泵
(13)燃油細濾器
(14)燃油粗濾器
(15)風扇皮帶
This document has been printed from SPI2. NOT FOR RESALE

![]()
![]()
16
SCBU9070
概述
機型視圖
圖14
g03734121
典型示例
(16)后吊耳
(20)冷卻液泵皮帶
(21)曲軸減振器
(22)冷卻液皮帶惰輪
(23)冷卻液泵
(24)機油濾清器
(25)機油表(油尺)
(26)發動機機油取樣閥
(17)冷卻液采樣閥
(18)冷卻液溫度調節器殼體
(19)前起吊位置
This document has been printed from SPI2. NOT FOR RESALE

![]()
![]()
SCBU9070
17
概述
機型視圖
圖15
g03734133
典型示例
(27)渦輪增壓器
(28)交流發電機
(29)油底殼
(30)排油口
(31)飛輪殼
(32)飛輪
This document has been printed from SPI2. NOT FOR RESALE

![]()
![]()
18
SCBU9070
概述
設備描述
圖16
g03734135
典型示例
(33)單體式噴油器液壓泵
(34)輸油泵
(35)曲軸箱呼吸器
(36)電子控制模塊
(37)呼吸器出口軟管
(38)機油排放塞
i06043802
發動機技術規格
設設備備描描述述
注:發動機的前端與發動機飛輪端相對。在飛輪端處
看去,確定發動機的左側和右側。1號氣缸是最前端
的氣缸。
1506有兩種不同的排放等級,
A和C。這些發動機采用恒定轉速設計,有五種
不同的額定功率。發動機的外觀類似,區別在于
加載到發動機電子控制模塊(ECM)中的軟件。
Perkins1506A和1506C工業用發動機有以下特
性:
•直列6缸
•4沖程循環
•油壓作動電子單體噴油(HEUI)
•渦輪增壓空-空后冷式(ATAAC)
This document has been printed from SPI2. NOT FOR RESALE

![]()
![]()
SCBU9070
19
概述
設備描述
•冷起動能力
•濫用檢測
•診斷
液壓電子單體噴油器
液壓作動電子單體噴油器(HEUI)執行以下功
能:
•霧化燃油
單體噴油器由使用凸輪軸位置、發動機轉速信號
和進氣壓力傳感器的ECM控制。ECM控制燃油噴
入每個氣缸的時間。額定轉速標示在發動機資料
牌上。
圖17
g00609479
氣缸和氣門的位置
(A)排氣門
(B)進氣門
發動機診斷
發動機具有內置的診斷功能,用以確保所有部件
都工作正常。如果與編程極限有偏差,操作員應
注意 “DIAGNOSTIC(診斷)”指示燈的狀況。在
某些情況下,發動機的馬力和車速會受到限制。
可以利用電子維修工具來顯示診斷代碼。
表 1
1506 發動機 技術規格
布置和缸數
缸徑
直列 6 缸
112.0 mm (4.41 in)
149.0 mm (5.87 in)
ATAAC
有3種類型的診斷編碼:激活,記錄和事件
沖程
進氣方式
排量
大多數診斷代碼被記錄和存儲在ECM中。有關詳
細資料,請參閱操作和保養手冊發動機診斷專
題。
8.8 L (537 in )
3
點火順序
1-5-3-6-2-4
ECM具有控制噴油器輸出以便保持理想發動機轉
速的電子調速器。
旋向(飛輪端)
逆時針
發動機冷卻與潤滑
電控發動機特性
冷卻系統包括以下部件:
對發動機運行狀態進行監控。ECM控制對這些狀
況和對操作員要求的發動機響應。這些狀況和操
作員要求決定了ECM對噴油的精確控制。電子發
動機控制系統具有以下功能:
•皮帶驅動的離心泵
•皮帶驅動的冷卻風扇
•發動機調速器
•空燃比自動控制
•扭矩曲線繪制
•噴油正時控制
•系統診斷
•調節發動機冷卻液溫度的水溫調節器
•機油冷卻器和散熱器
供給發動機的潤滑油需經冷卻。發動機潤滑油也
得到過濾。在下列情況下,旁通閥向發動機部件
提供無阻力的潤滑油流:
•機油粘度過高
有關電控發動機特性的詳細資料,請參閱操作和
保養手冊發動機診斷專題。
•機油冷卻器或機油濾清器濾芯堵塞
發動機使用壽命
其它特性
發揮發動機的效率和最大程度利用發動機的性能
取決于對正確的操作和保養建議的遵守程度。此
外,也應使用建議的燃油、冷卻液和潤滑劑。將
操作和保養手冊用作發動機所需進行的保養的指
南。
下列額外特點改善了的發動機的燃油經濟性和可
維修性:
This document has been printed from SPI2. NOT FOR RESALE

![]()

![]()
![]()
20
SCBU9070
概述
設備描述
發動機的預期使用壽命通常可由需求的平均功率
預測出來。需求的平均功率是基于一段時間內發
動機的燃油消耗量來確定的。減少全油門運轉小
時數和/或在減低了的油門設置下運轉可導致較
低的平均功率需求。減少運轉小時數將會延長發
動機需要大修之前的運轉時間。
售后產品和 Perkins 發動機
Perkins對非Perkins油液和濾清器的質量或性
能不提供任何保證。
在Perkins產品上使用其它制造商生產的輔助設
備、附件或消耗品(濾清器、添加劑、催化劑)
時,不會僅因這種使用而影響Perkins保修。
但是,安裝和使用其他制造商的設備、附件或消
耗品而導致的故障不屬于Perkins產品缺陷。因
此,這些缺陷不在Perkins保修范圍之內。
This document has been printed from SPI2. NOT FOR RESALE
![]()
SCBU9070
21
產品識別信息資料
標牌和貼膜的位置
產品識別信息資料
序列號銘牌 1
i06043803
標標牌牌和和貼貼膜膜的的位位置置
圖19
g01403841
發動機識別
Perkins發動機通過發動機序列號識別。
發動機序列號的典型示例為
LGEF****N00001W。
圖18
g03735788
典型示例
L
發動機類型
(1)發動機序列號銘牌的位置。
G
應用類型(表2)
額定功率類型(表3)
氣缸數(表4)
固定的制造編號
美國制造
Perkins發動機通過序列號標識。這些數字顯示
在發動機序列號銘牌上。Perkins經銷商需要這
些號碼來確定該發動機上包括的部件。此信息可
以準確識別替換零件的零件號。
E
F
*****
N
00001
發動機編號
W
制造年份
表 2
應用
G
發電機
表 3
發動機類型 (柴油)
A
B
D
TAG1
TAG2
TAG3
(續)
This document has been printed from SPI2. NOT FOR RESALE
![]()

![]()
![]()
![]()
![]()
![]()
![]()
![]()
![]()
![]()

![]()
![]()

![]()
![]()
22
SCBU9070
產品識別信息資料
排放認證貼膜
(表 3, 續)
E
F
TAG4
TAG5
TAG6
H
表 4
油缸數量
F
6
H
M
R
8
12
16
Perkins代理商或Perkins分銷商需要所有這
些編號以便確定該發動機上包括的部件。此信息
可以準確識別替換零件的零件號。
i06043750
排排放放認認證證貼貼膜膜
注:此信息適用于美國、加拿大及歐洲。
排放標簽位于氣門機構蓋頂部。
i06043755
參參考考資資料料部部分分
訂購零件時,可能需要有關以下項目的信息資
料。找出您的發動機信息。在相應位置記錄這
些信息。復制一份記錄表。保存這些信息以供
將來參考。
供參考用的檔案記錄
發動機型號
發動機序列號
發動機轉速
燃油粗濾器
燃油細濾器濾芯
潤滑油濾清器濾芯
潤滑系統總容量
冷卻系統總容量
空氣濾清器濾芯
風扇傳動皮帶
冷卻液泵皮帶
This document has been printed from SPI2. NOT FOR RESALE


![]()
![]()
![]()
![]()
![]()
![]()
![]()
![]()
![]()
![]()
![]()
![]()
SCBU9070
23
操作部分
設備起吊
操作部分
起吊和貯存
i06043781
設設備備起起吊吊
圖21
g00103219
注意
千萬不要折彎吊環螺栓和支架。 吊環螺栓和支架只能
承受張力負荷。 要記住當支承構件和物體之間的角度
小于90°時,吊環螺栓的承載能力變小。
當必須在某一角度搬移部件時,只能使用具有適當額
定載荷的連桿支架。
使用起重機搬移重的部件。使用一個可調的吊粱
起吊發動機。所有的支承構件(鏈條和鋼絲繩)
應互相平行。鏈條和鋼絲繩與被吊物的頂面盡可
能保持垂直。
有些搬移工作要求用吊裝工具吊裝,以確保平衡
和安全。
圖20
g03735832
吊耳是為特定的發動機裝置設計和安裝的。更換
吊耳和/或發動機會使吊耳和吊具不能使用。如
果更換了吊環螺栓和/或發動機,則應確保提供
合適的起吊裝置。有關正確起吊發動機的吊具信
息,請向Perkins經銷商咨詢。
吊耳 (1)是起吊發動機和散熱器的起吊位置。
i06043790
設設備備貯貯存存
您的Perkins經銷商可以幫助您準備發動機,以
便長期保存。
存放條件
發動機必須存放在防水建筑內。建筑內必須保持
恒溫。加注PerkinsELC的發動機可在 − 36°C
(−32.8°F)的環境溫度下實現冷卻劑保護。發
動機不能用于溫度和濕度變化極大的環境。
存放期限
遵循所有建議,發動機可存放長達6個月。
This document has been printed from SPI2. NOT FOR RESALE
![]()
![]()
![]()

![]()
![]()

![]()
![]()
24
SCBU9070
起吊和貯存
設備貯存
存放程序
2.張緊皮帶前,檢查冷卻液泵皮帶和風扇傳動皮
帶的狀況。張緊冷卻液泵皮帶和風扇傳動皮
帶。有關更多信息,請參閱本操作和保養手冊
皮帶-檢查/調整。
對發動機上完成的程序保留適當的記錄。
注:存放發動機時,燃油系統中不能有生物柴油。
1.確保發動機潔凈干燥。
3.檢查冷卻液液位。請參閱操作和保養手冊冷
卻液液位-檢查
a.如果發動機使用生物柴油運行,必須排放
系統并安裝新濾清器。燃油箱需要沖洗。
4.拆卸氣門室蓋,請參閱拆解和裝配氣門機構蓋
-拆卸和安裝。潤滑氣門機構。安裝氣門室罩
蓋。
b.向燃油系統加注正確技術規格的燃油。如
需了解可接受燃油的詳細信息,請參閱本
操作和保養手冊油液建議。運行發動機
15分鐘以從系統中清除所有生物柴油。
5.更換燃油濾清器。請參閱操作和保養手冊中
的以下章節。
2.排出粗濾器水分離器中的所有水分。確保燃
油箱加滿。
•燃油系統粗濾器(油水分離器)濾芯-更
換
3.更換發動機機油和濾清器。請參閱此操作和
保養手冊發動機機油和濾清器-更換。更換機
油和濾清器后,確保發動機操作。熄火發動機
前,確保發動機機油壓力正確。
•燃油系統細濾器-更換
•燃油系統-充油
6.使用桿或盤車工具以正常旋轉方向轉動發動
機。該步驟確保不會存在液壓阻塞或電阻。
4.如需了解發動機機油的正確規格,請參閱本操
作和保養手冊油液建議。
5.松開風扇傳動皮帶,然后松開冷卻液泵皮帶。
有關更多信息,請參閱本操作和保養手冊皮帶
-檢查/調整。
密封冷卻系統
確保冷卻系統加注了PerkinsELC或符合ASTM
D6210規格的防凍液。
打開冷卻系統
確保所有冷卻系統排放塞都已打開。使冷卻液放
出。安裝排放塞。在系統中放入汽相抑制劑。
加入汽相抑制劑后,必須密封冷卻系統。如果冷
卻系統與大氣連通,將會導致汽相抑制劑失去作
用。
有關保養步驟,請參閱本操作和保養手冊。
每月檢查
必須旋轉曲軸以改變氣門機構的彈簧負荷。將曲
軸旋轉180度以上。此外,旋轉冷卻液泵皮帶
輪。目視檢查發動機有無損壞或腐蝕。
圖22
g03774288
(1)塞
7.如果發動機存放超過1年,Perkins建議預潤
滑發動機,以避免干起動。使用合適的泵,將
發動機機油注入發動機機油系統。
存放之前,確保完全覆蓋發動機。在發動機記錄
中記下程序。
存放后拆卸
1.從發動機和空氣濾清器上拆下所有蓋。檢查
空氣濾清器濾芯的狀況。
This document has been printed from SPI2. NOT FOR RESALE
![]()

![]()
![]()
SCBU9070
25
起吊和貯存
設備貯存
泵需要在發動機內形成0.25bar(3.6psi)的
最小壓力。此壓力需要持續15秒,以便潤滑
內部表面。拆下塞 (1),以便連接至發動機機
油系統。所需的連接為9/16"x18tpi。確保
使用正確的機油技術規格,請參閱本操作和保
養手冊油液建議,了解更多信息。潤滑發動機
內部表面后,拆下接頭并安裝塞 (1) 。將塞擰
緊至扭矩為30N·m(265lbin)。Perkins建
議必須在至少10°C(50°F)的環境溫度下
執行該步驟。
8.起動發動機前,檢查發動機機油油位,并目視
檢查所有軟管和連接。起動發動機,請參閱本
操作和保養手冊起動發動機,了解更多信息。
起動發動機并實現正常操作后,熄火發動機,
再次檢查發動機機油油位。確保發動機機油油
位正確。
This document has been printed from SPI2. NOT FOR RESALE
![]()
26
SCBU9070
功能部件和控制裝置
儀表和指示燈
功能部件和控制裝置
轉速計 – 此儀表指示發動機轉速。 在無負
載時,把油門控制桿移動到全油門位置,發
動機在高怠速運轉。 在最大額定負載下,
油門控制桿在全油門位置,發動機在滿負載轉速下運
轉。
i06043785
儀儀表表和和指指示示燈燈
電流表 – 此儀表指示蓄電池充電電路中的充
電或放電量。 儀表指針應運作在 “0”
(零)位右側。
您的發動機上的儀表可能與下述儀表不同或不具
備所有下述儀表。更多有關儀表組件的信息,請
參閱OEM提供的資料。
工時計 – 該儀表指示發動機運轉的總時鐘小
時數。 運行的小時數被記錄在發動機控制
模塊 (ECM) 中。 需要使用維修工具才能從
ECM 中檢索到該小時數。 發動機上可能安裝一個工
時計。
儀表指示發動機性能。確保儀表處于良好的工作
狀態。觀察儀表一段時間之后,您就能確定正常
的運行范圍。
儀表讀數發生顯著變化,可能意味著儀表或發動
機存在故障。即使儀表讀數在技術規格范圍內,
其讀數變化也可能表明存在問題。確定和糾正導
致讀數顯著變化的任何原因。請咨詢您的
Perkins經銷商或Perkins代理商,尋求幫
助。
燃油油位 – 此儀表指示燃油箱內的燃油油
位。 燃油油位表只在點火開關處于接通位
置時才顯示燃油油位。
警告指示燈
有兩個警告燈可用。
•警告燈
發動機機油壓力 – 加注 SAE 10W30 或
SAE 15W40 機油的發動機在額定轉速下的
典型機油壓力為 240 至 480 kPa
(35 至 70 psi)。
•停機燈
儀表板和顯示器
發動機機油溫度 – 此儀表指示發動機機油溫
度。 機油溫度高于正常說明潤滑系統和/或
冷卻系統有加熱問題。 這一問題可能損壞
氣缸蓋、缸套、活塞和曲軸軸承。
可以通過眾多儀表板來監控發動機。這些儀表板
可能包含應用的指示燈和儀表。
此外,還包括小功率顯示器和性能監視器。
水套水冷卻液溫度 – 典型溫度范圍是
88 至 102 °C (190 至 215 °F)。 加壓冷卻系
統的最高允許溫度為 105 °C (220 °F)。 在
某些情況下可能會有更高的溫度。 隨著負荷的不同,
發動機冷卻液溫度讀數不同。 對于正在使用中的增壓
系統,讀數應永遠不能超過沸點。
i06043759
監監測測系系統統
如果發動機在正常范圍以上運轉或有蒸汽生成,
則進行下列程序:
發動機具有三個階段的保護:
•警告
1.1.減少發動機負載。
•行動報警
2.2.檢查冷卻系統有無泄漏。
•停機
3.3.決定是否必須立即關閉發動機,或者是否可以
通過減少負載使發動機冷卻。
發動機保護可能被臨界條件模式超越。
電子控制模塊(ECM)監視以下參數:
•發動機溫度
加加壓壓的的系系統統::熱熱的的冷冷卻卻液液能能造造成成嚴嚴重重的的燙燙傷傷。。在在發發
動動機機停停機機,,等等待待冷冷卻卻系系統統部部件件冷冷卻卻下下來來后后再再打打開開冷冷
卻卻系系統統加加注注口口蓋蓋。。緩緩慢慢松松開開冷冷卻卻系系統統加加注注口口蓋蓋,,以以
釋釋放放掉掉所所有有壓壓力力。。
•發動機壓力
•發動機轉速
觸發點被觸發后,指示燈將亮起。ECM將會記錄
此事件代碼。
4.4.檢查冷卻液液位。
將會針對事件代碼監視以下參數:
This document has been printed from SPI2. NOT FOR RESALE
![]()
![]()
![]()
![]()
![]()
![]()
![]()
![]()
![]()
![]()
SCBU9070
27
功能部件和控制裝置
監測系統
•機油壓力
•冷卻液溫度
•超速
將會通過來自OEM的一個開關輸入設定臨界保護
超越。例如,切換到蓄電池正極,以停用臨界超
越。使用出廠密碼可以在電子維修工具中啟用臨
界保護超越輸入。
當臨界保護超越特性激活時,ECM將在超越停機
以外的所有停機條件下繼續運轉發動機。如果出
現停機超越,將會產生一個事件代碼。ECM將會
記錄此事件代碼。ECM將激勵以下各項:警告,
行動報警,停機,機油壓力,冷卻液溫度和超速
輸出正常。如果發動機在以下條件下工作,發
動機保修將失效:現行事件代碼和臨界保護超
越模式。
•進氣歧管溫度
•進氣歧管壓力
•燃油溫度
當發動機盤車時,溫度保護停用一段時間,以補
償熱浸解。
ECM針對三個保護階段分別提供專用警報輸出。
此外,還有針對機油壓力、冷卻液溫度和超速事
件的專用警報輸出,可在任意保護階段被激勵。
標準警告輸出
ECM提供單獨輸出,以便驅動警告燈或繼電器,
指示以下各故障條件:
警報器
•診斷故障
•機油壓力
•冷卻液溫度
•超速
警報器通知用戶發動機正接近臨界條件。
如果發動機處于警告條件下,ECM的存儲器中將
會記錄事件。將通過Perkins數據鏈路發送一
個事件代碼,硬線警告輸出將被激勵。如果發動
機處于警告條件下,當條件存在時,將會保留事
件代碼和輸出。電子維修工具用于清除ECM存儲
器中的事件代碼。警報器觸發點將在生產中設定
為出廠默認。電子維修工具可用于在預定限值內
改變警告觸發點。
•行動報警
•警告
•停機
行動報警
如果ECM檢測到來自冷卻液溫度傳感器的警告,
ECM將激勵警告輸出。
行動報警通知OEM發動機正接近臨界條件。發動
機應以受控方式熄火。進一步運轉發動機可能導
致立即停機。
如果ECM檢測到來自冷卻液溫度傳感器的警告,
ECM將激勵警告輸出。如果ECM檢測到機油壓力
低警告,將會激勵機油壓力輸出。將會激勵警告
輸出。
如果發動機處于行動報警條件下,ECM的存儲器
中將會記錄事件。將通過Perkins數據鏈路發
送一個事件代碼,硬線行動報警將被激勵。如
果發動機處于行動報警條件下,當條件存在時,
將會保留事件代碼和輸出。不使用出廠密碼將無
法從ECM存儲器中清除事件代碼。
如果行動報警警報啟用,且ECM檢查到冷卻液溫
度狀況,將會激勵冷卻液溫度輸出。將會激勵
行動報警輸出。
停機
如果發動機因機油壓力低停機,將會激勵機油壓
力低輸出。將會激勵停機輸出。如果發動機因
冷卻液溫度或超速停機,將會激勵專用輸出和停
機輸出。
如果發動機達到停機條件,說明已出現以下事件
之一:低機油壓力、高冷卻液溫度或超速。事件
將記錄在ECM的存儲器中。發動機將停機。將
通過Perkins數據鏈路發送一個事件代碼,硬
線停機輸出將被激勵。停機條件將鎖定,直到
ECM復位。不使用出廠密碼將無法從ECM存儲器
中清除停機事件代碼。
停機復位
必須調查發動機停機的原因。復位系統前,必須
采取糾正措施,以便操作發動機。
發動機停機后,操作ECM的復位輸入或斷電控制
器。
臨界保護超越
如果發動機處于臨界安全的應用中,保護系統可
以被超越。此動作是為了確保發動機故障條件期
間電源的延續性。
通過操作鑰匙開關進入睡眠模式可以斷電電子控
制模塊。通過隔離電子控制模塊的電源可以斷電
電子控制模塊。
注:發動機熄火前,使用復位輸入將無法復位ECM。
This document has been printed from SPI2. NOT FOR RESALE
![]()
28
SCBU9070
功能部件和控制裝置
傳感器和電氣部件
診斷
如果發動機上的發動機保護傳感器有故障,發動
機將激活一個診斷代碼。發動機通過診斷輸出將
診斷代碼傳輸至操作員。診斷代碼向操作員提供
發動機保護系統的故障指示。在這種條件下長時
間運轉發動機可能會導致發動機故障。該輸出可
用于驅動燈或繼電器。
將會監視以下傳感器,以確定傳感器是否超出正
常范圍,有無開路或短路:
•大氣壓力
•機油壓力
•進氣歧管壓力
•進氣歧管溫度
•燃油溫度
•冷卻液溫度
•發動機轉速
•需求轉速輸入
診斷輸出不同于警告和停機輸出。警告和停機輸
出指的是發動機操作。診斷輸出指的是電子系統
和軟件系統的狀況。
診斷故障可能會在機油壓力或冷卻液溫度傳感器
上形成。例如,如果停機保護傳感器有故障,
此故障將導致發動機停機。除非系統處于臨界保
護超越中。發動機運轉時,如果其中一個發動
機轉速傳感器出現診斷故障。發動機以其他正時
傳感器為參照繼續運轉。
i06043760
傳傳感感器器和和電電氣氣部部件件
本部分中的插圖顯示工業用發動機上傳感器和其
他電氣部件的典型位置。具體發動機可能因應用
而略有不同。
This document has been printed from SPI2. NOT FOR RESALE
![]()
SCBU9070
29
功能部件和控制裝置
傳感器和電氣部件
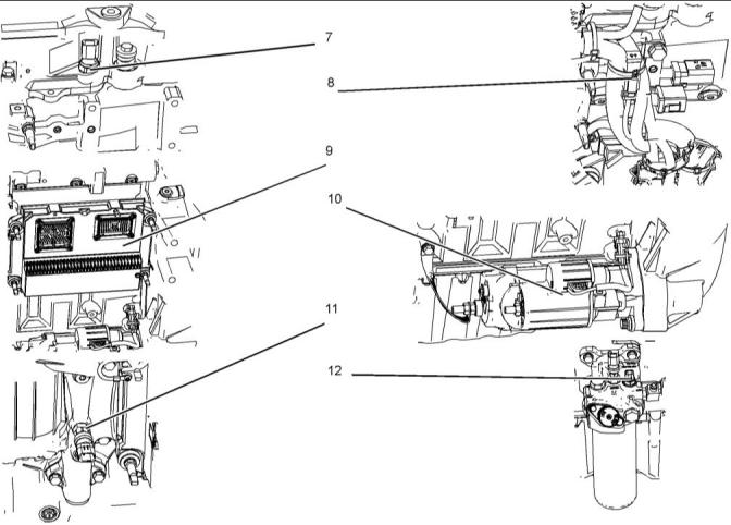
圖23
g03745560
典型示例
(1)冷卻液傳感器
(6)噴油器線束連接
(7)大氣壓力傳感器
(8)上死點位置的探針
(9)電子控制模塊
(10)起動馬達
(11)機油壓力傳感器
(2)噴油驅動壓力控制閥
(3)燃油導軌壓力傳感器
(4)進氣壓力傳感器
(5)進氣溫度傳感器
(12)燃油溫度傳感器
(13)燃油壓力傳感器
(14)轉速/正時傳感器
(15)轉速/正時傳感器
This document has been printed from SPI2. NOT FOR RESALE

![]()
![]()
30
SCBU9070
功能部件和控制裝置
傳感器和電氣部件
圖24
g03745561
典型示例
(16)交流發電機
This document has been printed from SPI2. NOT FOR RESALE
![]()

![]()
![]()
SCBU9070
31
功能部件和控制裝置
傳感器和電氣部件
圖25
g03745623
典型示例
(1)冷卻液傳感器
(2)噴油驅動壓力控制閥
(3)燃油導軌壓力傳感器
(4)進氣壓力傳感器
(5)進氣溫度傳感器
(6)噴油器線束連接
This document has been printed from SPI2. NOT FOR RESALE

![]()
![]()
32
SCBU9070
功能部件和控制裝置
傳感器和電氣部件
圖26
g03746096
典型示例
(7)大氣壓力傳感器
(8)上死點位置的探針
(9)電子控制模塊
(10)起動馬達
(11)機油壓力傳感器
(12)燃油溫度傳感器
This document has been printed from SPI2. NOT FOR RESALE

![]()
![]()
SCBU9070
33
功能部件和控制裝置
傳感器和電氣部件
圖27
g03746099
典型示例
(13)燃油壓力傳感器
(14)轉速/正時傳感器
(15)轉速/正時傳感器
圖28
g03746100
典型示例
(16)交流發電機
This document has been printed from SPI2. NOT FOR RESALE

![]()
![]()

![]()
![]()
34
SCBU9070
發動機診斷
自診斷
發動機診斷
發動機的運行和性能可能會因現行診斷編碼的產
生而被限制。加速率可能大幅減慢,功率輸出可
能自動減少。有關每個現行診斷代碼與其對發動
機性能的可能影響之間的關系的更多信息,請參
閱故障診斷與排除診斷代碼的故障診斷與排除。
i06043765
自自診診斷斷
i06043764
電子控制模塊具備某些自診斷能力。當輸入或輸
出發生的電子故障被檢測到時,診斷編碼就會產
生。這說明線路發生特定問題。
出出現現間間歇歇診診斷斷編編碼碼的的發發動動機機的的運運
行
代表當前存在的問題的診斷編碼叫做活動編碼。
如果發動機正常運行時診斷燈發亮,接著診斷燈
又熄滅,說明可能已經發生間歇故障。如果發生
了故障,故障將被記錄到電子控制模塊(ECM)
的存儲器中。
存儲在存儲器中的診斷編碼叫做記錄編碼。一定
要首先維修活動編碼然后再維修記錄編碼。記錄
編碼可能表示間歇性故障。
記錄的代碼可能并不意味著需要修理。自代碼被
記錄后,故障可能已經被排除。記錄編碼可能對
間歇問題的故障排除有幫助。
大多數情況下,沒必要因為間歇代碼而讓發動機
停機。但是,操作員應檢索記錄的故障代碼,參
考適當的信息資料以便鑒別故障的性質。操作人
員應記錄有可能導致診斷燈點亮的任何觀察發
現。
i06043778
診診斷斷燈燈
•功率低
“診斷”燈用于指示存在現行故障。
•發動機轉速限制
•冒煙過多等
故障診斷代碼將保持活動狀態直到問題得到解
決。
該信息有助于對狀況進行故障排除。這些信息也
可以為將來參考使用。有關診斷代碼的更多信
息,請參閱此發動機的故障診斷與排除指南。
i06043772
故故障障記記錄錄
i06043801
配配置置參參數數
系統提供故障記錄的能力。當電子控制模塊
(ECM)產生一個活動診斷代碼時,此代碼將被記
錄到ECM的存儲器中。Perkins電子維修工具
可檢索記錄的代碼。可使用Perkins電子維修
工具清除記錄的代碼。記錄在ECM存儲器中的代
碼將在記錄后100小時被從存儲器中自動清除。
發動機電子控制模塊(ECM)有兩種類型的配置參
數。系統配置參數和客戶指定參數。
需要使用電子維修工具來更改配置參數。
系統配置參數
i03616498
系統配置參數影響發動機的排放或發動機的功
率。配置參數在工廠進行編程設定。通常情況
下,在發動機的整個壽命期間,都不需要更改系
統配置參數。如果更換ECM,則必須重新編程設
置系統配置參數。如果更換了ECM軟件,則不需
要重新編程設置系統配置參數。修改這些參數時
需要使用出廠密碼。
出出現現活活動動診診斷斷編編碼碼的的發發動動機機的的運運
行
如果發動機正常運行時診斷燈亮了,說明系統已
經識別到不在規格范圍之內的狀況。使用電子維
修工具(ET)檢查現行診斷代碼。
有關更多信息,請參閱故障診斷與排除配置參
數。
應調查該現行診斷代碼。應該盡快解決問題的起
因。如果引發現行診斷代碼的起因被解決,而且
只有這一個現行診斷編碼,診斷燈將熄滅。
This document has been printed from SPI2. NOT FOR RESALE
![]()
SCBU9070
35
發動機起動
發動機起動前
發動機起動
•如果起動開關或操縱裝置上系有一個 “不準操作”警
告標簽或類似警告標簽,, 切勿起動發動機或移動任
何操控裝置。
i06043723
•確保旋轉零件的周圍區域無障礙物。
發發動動機機起起動動前前
•所有護罩必須到位。檢查是否有損壞或丟失的護
罩。修理任何損壞的護罩。更換損壞和/或遺失的
護罩。
在發動機起動之前,進行所需的日常保養和其它
的定期保養內容。檢查發動機室。此項檢查可
以幫助防止日后大的修理。
•斷開未對接合電起動馬達(如有配備)時產生的高
耗用電流加以保護的蓄電池充電器。檢查電纜,
檢查蓄電池是否有連接得當和是否有腐蝕的地方。
•為了獲得發動機的最大使用壽命,在發動機起動之
前,作一次徹底的檢查。查找下列項目:機油泄
漏,冷卻液泄露,松動螺栓和廢物堆積。清除堆
積的廢物,安排需要進行的維修。
•復位所有關斷部件或報警部件。
•檢查發動機潤滑油油位。將機油油位保持在機油
油位表上的 “添加”標記和 “滿”標記之間。
•檢查冷卻系統軟管有無裂紋和松動的卡箍。
•檢查冷卻液液位,將冷卻液液位保持在距離散熱器
蓋頸部13mm(0.5in)內。
•檢查交流發電機和附屬傳動皮帶是否有裂紋,斷裂
和其它損壞。
•觀察空氣濾清器保養指示器。當黃色膜片進入紅
色區或紅色活塞鎖止在可視位置時,要保養空氣濾
清器。
•檢查線路和線束是否連接松動,導線是否磨損或擦
傷。
•檢查燃油供油。從油水分離器(如有配備)中放
水。打開供油閥。
i06043795
寒寒冷冷天天氣氣起起動動
注意
在發動機運行之前和期間必須打開燃油回油管上的所
有閥門,以便防止燃油壓力過高。 燃油壓力高可能導
致濾清器殼體故障或其它損壞。
不不要要使使用用類類似似乙乙醚醚的的噴噴霧霧式式起起動動輔輔助助裝裝置置。。否否則則可可
能能導導致致爆爆炸炸和和人人身身傷傷害害。。
如果發動機數周未起動過,燃油可能從燃油系統
中泄掉。空氣可能進入濾清器殼體。此外,當
更換燃油濾清器后,殼體中會留有空氣。在這些
情況下,應該充注燃油系統。更多有關泵注燃油
系統的信息資料,請參考操作和保養手冊燃油系
統-泵注。
起動發動機前,確保水套水加熱器操作。
起動發動機前,確保執行所有日常保養檢查。
如果發動機已經有幾個星期沒有運行,則燃油可
能已經排出。空氣可能會進入濾清器殼體。此
外,在更換燃油濾清器后,濾清器殼體中會留有
部分空氣。請參閱操作和保養手冊燃油系統-充
注,以便清除燃油系統中的空氣。
發發動動機機排排氣氣含含有有對對人人體體有有害害的的燃燃燒燒產產物物。。必必須須在在良良
好好通通風風的的場場所所起起動動和和運運轉轉發發動動機機,,如如果果在在封封閉閉場場
所所,,要要將將廢廢氣氣排排到到外外面面去去。。
注意
當飛輪正在轉動時,不要接合起動馬達。 不要帶負荷
起動發動機。
如果發動機在 30 秒內沒有起動,則在試圖重新起動
發動機之前,松開起動機開關或按鈕并等待 30 秒,
以使起動馬達冷卻。
1.1.脫開任何發動機驅動的設備。
2.2.如有配備,按下起動按鈕。如有配備,將鑰
匙開關轉到起動位置,以便接合電動起動馬達
和盤車。
This document has been printed from SPI2. NOT FOR RESALE
![]()
![]()
![]()
![]()
![]()
![]()
![]()
![]()
![]()
3.
3.起動步驟期間,如果警告指示燈激活,應調查
警告原因。
3
.3.如果發動機無法起動,調查故障原因。使用
Perkins電子維修工具。發動機起動后,可
能會指示系統故障。如果發生這種情況,則表
明ECM已檢測到系統出現故障。找出問題的原
因。使用Perkins電子維修工具。
36
SCBU9070
發動機起動
寒冷天氣起動
4.4.如果發動機無法起動,重復步驟2三次。如
果發動機無法起動,請參閱故障診斷與排除發
動機盤車但不起動。
注:機油壓力應該在發動機起動后15秒內升上來。電
子發動機控制監視機油壓力。如果機油壓力低于正常
值,電子控制將熄火發動機。
注:檢查所有儀表和指示燈是否正確操作。發動機起
動后,可能會指示系統故障。如果出現這種指示,則
表明ECM檢測到系統故障。必須調查故障原因。
5.5.機油壓力應該在發動機起動后15秒內升上
來。發動機電子控制監視發動機機油壓力。
如果機油壓力低于正常值,電子控制將熄火發
動機。
4.4.空載操作發動機,直到所有冷卻液溫度開始上
升。暖機期間,檢查儀表。
注:儀表板上機油壓力和燃油壓力的讀數顯示應處在
正常范圍。在機油壓力表指示最低正常壓力以前,不
要向發動機施加負載。檢查發動機有無泄漏和/或異
常噪音。
i06043730
注:ECM完成冷起動模式后,在ECM關閉前,冷起動模
式無法再次啟用。
寒寒冷冷天天氣氣起起動動
注:在發動機完全熄火前,不要嘗試重新起動發動
機。
i06043766
不不要要使使用用類類似似乙乙醚醚的的噴噴霧霧式式起起動動輔輔助助裝裝置置。。否否則則可可
能能導導致致爆爆炸炸和和人人身身傷傷害害。。
發發動動機機起起動動
發動機將在 −10°C(14°F)的溫度下起動。使
用缸體冷卻液加熱器或曲軸箱油加熱設備將改善
溫度低于10°C(50°F)時的起動能力。當發
動機在寒冷氣候下起動時,這有助于減少白煙和
缺火。
1.1.脫開任何發動機驅動的設備。
2.2.將鑰匙開關轉到接通位置,檢查儀表和指示燈
是否正確操作。請參閱原始設備制造商,了解
有關起動控制面板的信息。
如果發動機已經有幾個星期沒有運行,則燃油可
能已經排出。空氣可能會進入濾清器殼體。此
外,在更換燃油濾清器后,濾清器殼體中會留有
部分空氣。請參閱操作和保養手冊燃油系統-充
注,以便清除燃油系統中的空氣。
注意
當飛輪正在轉動時,不要合上起動馬達。 不要帶負載
起動發動機。
請遵循寒冷天氣下的起動步驟。
如果發動機沒有在30秒內起動,松開起動開關或起動
按鈕并等待 2分鐘,在再次起動發動機以前,讓起動
馬達先冷卻下來。
注意
當飛輪正在轉動時,不要接合起動馬達。 不要帶負荷
起動發動機。
3.3.轉動鑰匙開關以便盤動發動機,當發動機點火
后,釋放鑰匙開關。
如果發動機在 30 秒內沒有起動,則在試圖重新起動
發動機之前,松開起動機開關或按鈕并等待 30 秒,
以使起動馬達冷卻。
4.4.如果發動機無法起動,重復步驟2至3,僅重
復這些步驟三次。
1.1.如有配備,按下起動按鈕。如有配備,將鑰
匙開關轉到起動位置,以便接合電動起動馬達
和盤車。
5.5.如果發動機無法起動,請參閱故障診斷與排除
發動機盤車但不起動。
2.2.如果發動機無法起動,重復步驟1三次。
This document has been printed from SPI2. NOT FOR RESALE
![]()
![]()
![]()
![]()
![]()
![]()
![]()
SCBU9070
37
發動機起動
用跨接起動電纜起動
i06043798
跨接起動后,交流發電機可能不會把嚴重放電的
蓄電池重新充足電。發動機停止后,必須更換蓄
電池或使用充電器將蓄電池充電到正確電壓。許
多被認為已不可用的蓄電池仍是可以再充電的。
請參閱操作和保養手冊蓄電池-更換以及測試和
調整手冊蓄電池-測試。
用用跨跨接接起起動動電電纜纜起起動動
i06043736
不不正正確確的的跨跨接接起起動動電電纜纜連連接接會會引引起起爆爆炸炸,,造造成成人人身身
傷傷害害。。
發發動動機機起起動動后后
防防止止在在蓄蓄電電池池周周圍圍產產生生火火花花。。火火花花會會引引起起氣氣體體爆爆
炸炸。。不不要要讓讓跨跨接接起起動動電電纜纜端端部部互互相相接接觸觸或或與與發發動動機機
接接觸觸。。
帶載操作發動機前,確保監測系統(如有配備)
完成自檢。
注:如有可能,首先診斷無法起動的原因。更多信
息,請參閱故障排除發動機無法盤車和發動機盤車但
不起動。進行任何必要的修理。如果發動機無法起
動僅是由于蓄電池的狀況,給蓄電池充電,或者通過
跨接起動電纜使用其他蓄電池起動發動機。
發動機將以恒定轉速工作。轉速將編程設定到電
子控制單元中。起動后,檢查所有儀表和指示燈
的讀數和操作是否正確。
目視檢查冷卻液、機油或燃油有無泄漏。
施加負載前,讓發動機暖機3分鐘。
在發動機關閉后,還可再次檢查蓄電池的狀況。
注意
注:溫度在0-60°C(32-140°F)時,暖機時間約
為3分鐘。溫度低于0°C(32°F)時,可能需要額
外的暖機時間。
使用一個與電起動馬達有相同電壓的蓄電池電源。 跨
接起動只允許使用相同電壓。 使用更高電壓會損壞電
氣系統。
注:發動機運行時,應觀察儀表讀數,經常記錄數
據。比較長期數據將有助于確定每一個儀表的正常讀
數。比較長期數據也將有助于發覺非正常運行的發展
變化。應調查讀數中的明顯變化。
不要反向連接蓄電池電纜。 否則交流發電機可能損
壞。 接地電纜要在最后連接并要最先斷開。
在連接跨接起動電纜之前,將所有電氣附件關閉。
在將跨接起動電纜連接到被起動發動機之前,確保主
電源開關是在斷電(OFF)位置。
1.1.把停轉的發動機的起動開關旋轉至斷開位置。
關閉所有發動機附件。
2.2.將跨接起動電纜的一個正極端連接到已放電蓄
電池的正極電纜端子上。將跨接起動電纜的另
一正極端連接到電源的正極電纜端子上。
3.3.將跨接起動電纜的一個負極端連接到電源的負
極端子。將跨接起動電纜的另一負極端連接到
發動機缸體或底盤接地上。該步驟有助于防止
潛在火花點燃某些蓄電池產生的易燃氣體。
注:起動馬達運轉前,發動機ECM必須通電,否則將
造成損壞。
4.4.按正常的操作步驟起動發動機。參閱操作和
保養手冊起動發動機。
5.5.發動機起動之后,立即按與連接相反的順序拆
下跨接起動電纜。
This document has been printed from SPI2. NOT FOR RESALE
![]()
![]()
![]()
![]()
![]()
38
SCBU9070
發動機運行
發動機運行
發動機運行
損壞的蓄電池單元會過度使用交流發電機,并將
消耗過多的電力和燃油。
i06043794
•確保傳動帶調整適當。傳動帶應狀況良好。
•確保所有軟管連接緊密。連接處不應泄漏。
•確保從動設備狀況良好。
發發動動機機運運行行
正確的運轉和保養是獲得發動機最大壽命和經濟
性的關鍵因素。如果按照操作和保養手冊中的指
示去做,使用費用可以降至最低,使用壽命可以
最大限度地延長。
•冷發動機消耗過多的燃油。保持冷卻系統部件清
潔和得到良好維護。決不能運轉未安裝水溫調節
器的發動機。所有這些項目將有助于保持工作溫
度。
使發動機達到正常工作溫度所需要的時間要少于
對發動機進行繞機檢查所需要的時間。
發動機起動并達到正常工作溫度之后,即可帶載
操作發動機。
發動機運行時,應觀察儀表讀數,經常記錄數
據。比較長期數據將有助于確定每一個儀表的正
常讀數。比較長期數據也將有助于發覺非正常運
行的發展變化。應調查讀數中的明顯變化。
i06043780
接接合合被被驅驅動動設設備備
如可能,不帶載接合從動設備。在發動機處于穩
定的操作模式時,施加負載。
施加負載后,檢查儀表和指示燈是否正確操作。
i06043767
燃燃油油省省油油準準則則
發動機的效率會影響燃油經濟性。Perkins設
計和制造技術為所有應用提供最大燃油效率。遵
循建議的步驟以便獲得發動機使用壽命期的最佳
性能。
•避免燃油溢出。
燃油受熱會膨脹。燃油可能會從燃油箱溢出。
檢查燃油管路是否有泄漏。對燃油管路進行所需
的維修。
•知道不同燃油的特性。只使用推薦的燃油。
•避免不必要的無負荷運行。
讓發動機停機,而不要使發動機無負荷運行很長
時間。
•經常觀察空氣濾清器的保養指示器。保持空氣濾
清器清潔。
•保持電氣系統處于良好狀態。
This document has been printed from SPI2. NOT FOR RESALE
![]()
SCBU9070
39
寒冷天氣操作
散熱器氣流限制
寒冷天氣操作
購買柴油時,請注意這些屬性。考慮發動機應用
的平均環境空氣溫度。在一種氣候條件下加油的
發動機,運送到更寒冷的氣候下可能無法正常工
作。引起問題的原因可能是溫度變化。
i06043728
散散熱熱器器氣氣流流限限制制
如果冬季中發動機功率過低或性能太差,進行故
障檢修之前先檢查燃油是否析蠟
以下部件有助于盡可能減少寒冷氣候下的燃油析
蠟問題:
Perkins不鼓勵使用安裝在散熱器前部的氣流限
制裝置。氣流阻力可能導致以下情況:
•燃油加熱器,可能為OEM選裝件。
•燃油管絕緣件,可能為OEM選裝件。
•排氣溫度高
•功率損失
在冬季嚴寒的國家和地區可以買到冬季和極地級
柴油。有關更多信息,請參閱操作和保養手冊寒
冷天氣工作用油
•風扇使用過度
•燃油經濟性降低
如果必須使用氣流限制裝置,此裝置應該具有一
個與風扇輪轂正對的永久開口。該裝置的最小開
2 2
口尺寸必須不低于770cm(120in)。
可影響冷起動和柴油發動機操作的另一重要燃油
屬性是十六烷值。此屬性的詳細信息和要求見于
操作和保養手冊油液建議。
與風扇輪轂正對的中心設有開口,以便防止阻斷
流向風扇葉片的氣流。流向風扇葉片的氣流受到
阻斷可能導致風扇損壞。
i06043773
寒寒冷冷天天氣氣下下與與燃燃油油有有關關的的部部件件
Perkins建議使用進氣歧管溫度報警裝置和/或
安裝進氣溫度表。進氣歧管溫度報警裝置的溫度
應設定為75°C(167°F)。進氣歧管中的空氣
溫度不應超過75°C(167°F)。超過此界限的
溫度可能導致功率損失和潛在的發動機損害。
燃油箱
未注滿的燃油箱會出現凝結。在您運行發動機后
請加滿燃油箱。
i06043743
燃油箱應包括一些從底部排放水和沉積物的措
施。某些燃油箱使用補充管讓水和沉淀物沉淀在
供油管末端的下部。
燃燃油油和和寒寒冷冷天天氣氣的的影影響響
一些燃油箱使用的供油管路能夠直接從燃油箱底
部汲取燃油。如果發動機配備了這種系統,定期
保養燃油系統濾清器相當重要。
注:僅使用Perkins推薦的燃油等級。請參閱本操作
和保養手冊油液建議。
柴油屬性對于發動機冷起動能力具有很大影響。
柴油低溫屬性必須符合發動機操作中預期會出現
的最低環境溫度。
在以下情況下從燃油儲油箱中放掉水和沉淀物:
•每周
以下屬性用于定義燃油的低溫性能:
•更換機油時
•向燃油箱加油時
•濁點
•傾點
排空燃油箱將有助于防止水和沉淀物從燃油儲油
箱中泵吸進發動機燃油箱中。
•冷濾堵塞點(CFPP)
燃油加熱器
燃油濁點是指天然存在于柴油中的蠟開始形成結
晶的溫度。燃油濁點必須低于最低環境溫度以防
止濾清器堵塞。
在寒冷天氣時,燃油加熱器幫助防止燃油濾清器
因燃油結蠟而堵塞。應安裝燃油加熱器,以便在
燃油進入燃油粗濾器之前被加熱。
冷濾堵塞點是特定燃油將通過一個標準化的過濾
裝置的溫度。此CFPP給出估計的燃油最低可操
作溫度
傾點是燃油停止流動,開始析蠟前的最后溫度。
This document has been printed from SPI2. NOT FOR RESALE
![]()
40
SCBU9070
寒冷天氣操作
寒冷天氣下與燃油有關的部件
選擇一種結構簡單且適用的燃油加熱器。燃油加
熱器還應防止燃油過度加熱。燃油溫度高會降低
發動機性能和可利用的發動機功率。選擇具有較
大加熱表面積的燃油加熱器。燃油加熱器的尺寸
應符合實際要求。小加熱器可能會因其表面積有
限而過熱。
溫暖天氣時斷開燃油加熱器。
注:此發動機上應使用由水溫調節器控制的燃油加熱
器或自動調節的燃油加熱器。不受水溫調節器控制的
燃油加熱器可能把燃油加熱到超過65°C(149°F)
。如果供油溫度超過37°C(100°F),發動機便可
能發生功率損失。
注:熱交換器型燃油加熱器應該有旁通設施以便防止
溫暖天氣工作時發生過熱現象。
有關燃油加熱器的更多信息,請咨詢您的
Perkins代理商或Perkins經銷商。
This document has been printed from SPI2. NOT FOR RESALE
![]()
SCBU9070
41
發動機停機
緊急停機
發動機停機
注:僅使用本操作和保養手冊油液建議中推薦的機
油。如果未使用推薦的機油,可能會導致發動機損
壞。
i06043775
•如有必要,進行小的調整。修理每一處泄漏并擰
緊所有松動的螺栓。
緊緊急急停停機機
•記下工時計的讀數。按本操作和保養手冊保養周
期表所述進行保養。
注意
緊急停機控制裝置只用于緊急情況。 切勿把緊急停機
裝置或控制裝置用于正常的停機過程。
•加滿燃油箱以便于防止燃油中積聚濕氣。燃油箱
不要加油過滿。
•讓發動機冷卻。檢查冷卻液液位。將冷卻液液位
保持在加注管底部以下13mm(0.5in)處。
OEM可能已裝配了緊急停機按鈕。更多關于緊急
停機按鈕的信息,請參閱OEM資料。
注:僅使用本操作和保養手冊油液建議中推薦的冷卻
液。如果未使用推薦的機油,可能會導致發動機損
壞。
確保發動機停機后支持發動機運行的外部系統的
所有部件安全可靠。
•如果預計發動機會在冰凍溫度下運轉,則檢查冷卻
液是否具有正確的防凍保護。必須保護冷卻系
統,以防其在預計的最低外部溫度下結凍。如果
必要,添加合適的冷卻液/水混合液。
i06043769
手手動動停停機機程程序序
•對所有從動設備進行必需的定期保養。此保養會
在OEM的使用說明書中述及。
停止發動機
注意
在發動機一直帶著負荷運轉的情況下立即停機,會引
起過熱并加速發動機零部件的磨損。
關閉發動機之前避免進行加速操作。
要避免發動機熱態停機可增加渦輪增壓器軸和軸承的
壽命。
注:不同應用采用不同的控制系統。確保理解停機程
序。運用以下一般性準則以便使發動機停機。
1.1.從發動機上卸下負載。讓發動機空載運行5
分鐘,以便冷卻發動機。
2.2.經過發動機上的停機系統規定的冷卻周期后,
關閉發動機,把點火鑰匙開關轉到斷開位置。
如有必要,請參閱OEM提供的說明。
i06043792
發發動動機機停停機機后后
注:檢查發動機機油之前,停止運行發動機至少10分
鐘以便使發動機機油回到油底殼。
•檢查曲軸箱機油油位。使機油油位保持在油位表
的 “低”標記和 “高”標記之間。
This document has been printed from SPI2. NOT FOR RESALE
![]()
![]()
![]()
![]()
![]()
42
SCBU9070
保養部分
加注容量
保養部分
加注容量
注意
如果發動機貯存在或裝運到低于結凍溫度的區域,冷
卻系統必須在最低外界溫度下受到保護,或者完全放
掉以防止損壞。
i06043751
注意
為了妥當地防凍和防沸騰, 要常常檢查冷卻液的比
重。
加加注注容容量量
潤滑系統
基于以下原因,應清潔冷卻系統:
•冷卻系統受到污染
•發動機過熱
發動機曲軸箱的加注容量反映了曲軸箱的近似容
量或集油槽與標準機油濾清器容量之和。輔助機
油濾清器系統需要額外的機油。有關輔助機油濾
清器的容量大小,請參閱OEM技術規格。關于潤
滑劑規格的其他資料見操作和保養手冊保養部
分。
•冷卻液起泡
表 5
注意
切勿在冷卻系統中未裝水溫調節器的情況下運行發動
機。 水溫調節器幫助保持發動機冷卻液處于正確的工
作溫度。 未裝水溫調節器時,冷卻系統可能逐漸會產
生故障。
發動機
加注容量
腔室或系統
調試時
使用中
曲軸箱集油槽(1)
41 L
39 L
(1)
這些數值是曲軸箱集油槽(鋁質)的近似容量,其中包括工廠
安裝的標準機油濾清器的容量。 安裝了輔助機油濾清器的發動
機將需要額外的機油。 有關輔助機油濾清器的容量大小,請參
閱 OEM 技術規格。
許多發動機故障與冷卻系統有關。以下問題與冷
卻系統故障有關:過熱,水泵泄漏和散熱器或熱
交換器堵塞。
冷卻系統
這些故障可以通過正確的冷卻系統保養來加以避
免。冷卻系統的保養與燃油系統和潤滑系統的保
養一樣重要。冷卻液的質量與燃油和潤滑油的質
量一樣重要。
有關外部系統的容量,請查閱原始設備制造商
(OEM)的規格。需要知道這個容量數據以便確
定整個冷卻系統需要多少冷卻液。
表 6
冷卻液通常由三種成分組成:水,添加劑和乙二
醇。
發動機
加注容量
水
腔室或系統
升
14
33
只對發動機
水在冷卻系統中被用來傳遞熱量。
外部系統(原始設備制造商配備)(1)
建建議議在在發發動動機機冷冷卻卻系系統統中中使使用用蒸蒸餾餾水水或或去去離離子子
水水。。
(1)
外部系統包括一個散熱器或一個帶有下列部件的膨脹箱:熱交
換器 和 管道。 請參閱 OEM 技術規格。 在本行中輸入外部系統
容量值。
請勿在冷卻系統中使用以下類型的水:硬水,用
鹽調節后的軟化水和海水。
i06043771
如果沒有蒸餾水或去離子水,使用具有表7內所
列特性的水。
油油液液建建議議
表 7
可使用的水
一般冷卻液信息
特性
最高限值
氯化物(Cl)
40 mg/L
注意
切勿向過熱的發動機中添加冷卻液。 發動機可能因此
而損壞。 應首先使發動機冷卻。
4
硫酸鹽(SO )
100 mg/L
(續)
This document has been printed from SPI2. NOT FOR RESALE



![]()
![]()
![]()
![]()
![]()
![]()
![]()
![]()
![]()
注:100%的純乙二醇將在溫度為 −13°C(8.6°F)
SCBU9070
43
加注容量
油液建議
(表 7, 續)
時將凍結。
可使用的水
特性
總硬度
最高限值
大多數傳統防凍劑使用乙二醇。也可以使用丙二
醇。當與水按照1:1比例混合時,乙二醇和丙二
醇提供相似的防凍和防沸騰保護。請參閱表8
和表9。
170 mg/L
總的固體含量
酸度
340 mg/L
表 8
pH 值為 5.5 至 9.0
乙二醇
有關水質分析,請咨詢以下渠道之一:
•當地自來水公司
濃度
50%
60%
防凍保護
−36 °C (−33 °F)
−51 °C (−60 °F)
•農業機構
•獨立實驗室
注意
不要使用乙二醇濃度超過 50% 的丙二醇,因為此時
丙二醇的熱傳導能力會降低。 需要額外的防凍或防沸
保護時,可使用乙二醇。
添加劑
添加劑幫助保護冷卻系統的金屬表面。缺乏冷卻
液添加劑或添加劑量不足能夠促使以下情況的發
生:
表 9
丙二醇
•腐蝕
濃度
防凍保護
•礦物沉淀物的生成
•銹蝕
50%
−29 °C (−20 °F)
要檢查冷卻液中的乙二醇濃度,請測量冷卻液比
重。
•水垢
•冷卻液起泡
推薦的冷卻液
在發動機運行期間,許多添加劑會耗盡。這些添
加劑必須周期性補充。
•ELC
•SCA
•ASTM
長效冷卻液
補充冷卻液添加劑
美國材料試驗協會
必須添加添加劑達到正確的濃度。添加劑濃度過
高會引起抑制劑從溶液中析出。這些沉淀物可能
促使以下問題的發生:
下面兩種冷卻液用在Perkins柴油發動機上:
首選–PerkinsELC
•凝膠體的生成
•傳熱的減少
•水泵密封件的泄漏
•散熱器、冷卻器和細小通道的堵塞
可接受–符合ASTMD6210技術規范的市售重負
荷防凍劑
乙二醇
注意
冷卻液中的乙二醇幫助提供保護,防止以下情況
的發生:
1200 系列工業發動機必須使用水和乙二醇比例為 1:1
的混合物。 此濃度允許 NOx 降低系統在高溫環境中
運行。
•沸騰
•結凍
注意
•水泵氣穴
不要使用僅符合 ASTM D3306 技術參數的市售冷卻
液/防凍液。 這類冷卻液/防凍劑是為輕型汽車應用而
配制的。
為獲得最佳性能,Perkins建議使用水/乙二醇
溶液1:1的混合液。
注:使用將會在最低環境溫度下提供保護的混合液。
This document has been printed from SPI2. NOT FOR RESALE



![]()
![]()
![]()
![]()
![]()
![]()
![]()
![]()
![]()
![]()
44
SCBU9070
加注容量
油液建議
Perkins建議水和乙二醇的混合配比為1:1。這
種乙二醇與水的混合液作為防凍液能達到最佳的
重負荷性能。如果需要提供極冷條件下的保護,
水/乙二醇的比例可提高到1:2。
為正確保持防凍液和添加劑之間的平衡,您必須
保持推薦的ELC的濃度。降低防凍液的比例同樣
也會降低添加劑的比例。這將降低冷卻液防止系
統出現點蝕、氣穴、侵蝕和沉積的能力。
可以使用SCA抑制劑和水的混合液,但其防腐
蝕、防沸騰和防凍保護水平不如ELC。Perkins
建議在這類冷卻系統中將SCA的濃度保持在6%
至8%。最好使用蒸餾水或去離子水。符合推薦
水質要求的水也可以使用。
注意
不要使用傳統冷卻液來添補加注了長效冷卻液 (ELC)
的冷卻系統。
不要使用標準補充用冷卻液添加劑 (SCA)。
表 10
使用珀金斯 ELC 時,不要使用標準冷 SCA 或 SCA
濾清器。
冷卻液使用壽命
冷卻液類型
使用壽命(1)
Perkins ELC
6000 個工作小時或 3 年
ELC 冷卻系統清潔
符合ASTMD6210 要求的市售重
負荷防凍劑
3000 個工作小時或 2 年
注:如果冷卻系統已經在使用ELC,則不需要在規定的
冷卻液更換周期使用清潔劑。只有當系統已經被添加
的一些其他類型的冷卻液或冷卻系統損壞污染時,才
需要使用清潔劑。
市售 SCA 抑制劑和水
3000 個工作小時或 1 年
(1)
使用首個周期。 此時,還必須把冷卻系統沖洗干凈。
ELC
當ELC被排出冷卻系統后,只需用凈水沖洗。
Perkins提供用于以下應用的ELC:
•重載火花點火式燃氣發動機
•重型柴油發動機
在加注冷卻系統之前,必須將加熱器控制裝置
(如有配備)設置在熱位置。請參閱OEM信息以
設置加熱器控制裝置。排空并重新加注冷卻系統
后,運行發動機,直到冷卻劑液位達到正常工作
溫度時的液位并保持穩定。需要時,添加冷卻液
混合液,把系統加注到規定的液位。
•汽車應用
ELC的防腐成份與其它冷卻液的防腐成份不同。
ELC是以乙二醇為基礎液的冷卻液。但是,ELC
包含有機腐蝕抑制劑和抗沫劑,并且亞硝酸鹽含
量低。PerkinsELC使用適量的上述添加劑配制
而成,能夠為發動機冷卻系統中的所有金屬部件
提供卓越的防腐蝕保護。
更換為 Perkins ELC
要將重負荷防凍液更換為PerkinsELC,執行以
下步驟:
注意
在檢驗、保養、測試、調整及維修產品時,必須小心
以確保收集好排放出的油液。 在打開任何腔室或拆解
任何儲有液體的部件之前,要準備好用合適的容器收
集液體。
提供與蒸餾水預先混合的ELC溶液。ELC混合比
為1:1。這種預混合ELC可提供 −36°C
(−33°F)的防凍保護。建議在冷卻系統初次加
注時使用這種預混合ELC。也推薦在添補冷卻系
統時使用這種預混合ELC。
按照本地法規和指令處置所有液體。
有幾種不同尺寸的容器可供選用。請向您的
Perkins經銷商咨詢零件號。
1.把冷卻液排放到適當的容器中。
2.按照當地法規處置冷卻液。
ELC 冷卻系統保養
長效冷卻液的正確添加
3.用清水沖洗冷卻系統以便清除所有碎屑。
4.使用適當的清潔劑清潔系統。遵照標簽上的
說明。
注意
僅對珀金斯產品使用預混合或濃縮冷卻液。
5.把清潔劑排放到適當的容器中。用清潔的水
沖洗冷卻系統。
把長效冷卻液與其它產品混合降低長效冷卻液的使用
壽命。 不按照建議去做會降低冷卻系統部件使用壽
命,除非采取正確的補救措施。
6.用清水加注冷卻系統,運轉發動機直到其升溫
到49°C至66°C(120°F至150°F)。
This document has been printed from SPI2. NOT FOR RESALE

![]()
![]()
![]()
![]()
![]()
![]()
![]()