洋馬4TNE92發動機維修技術參數
新型 IDI 間接噴射發動機構造

洋馬發動機EPA 法規


洋馬發動機EPA以及ARB環保貼牌

洋馬發動機EPA TIER 2 法規 ( 壓燃式發動機,空載)

洋馬發動機柴油、機油和冷凍液
柴油的使用性能指標主要是發火性、蒸發性、粘度和凝點。
1、發火性指自然能力,一般用十六烷值表示,越高越好。柴油被噴入燃燒室后沒有立即燃燒,經過一段時間的物理和化學反應,這叫著火備燃期。備燃期過長則燃燒開始前燃燒室存積柴油過多,致使燃燒開始后壓力升高過快,連桿機構承受較大沖擊力,加速磨損,工作粗爆。備燃期短,可使柴油機工作柔和且可在較低溫度下發火,利于啟動。但越高凝點也高,蒸發性差。
2、蒸發性,蒸發性愈好,愈有利于可燃混合氣的形成和燃燒。
3、粘度指流動性。粘度越小流動性越好;粘度過大影響霧化,粘度過小,易導致偶件磨損。
4、凝點是指柴油冷卻到開始失去流動性的溫度。柴油的凝點應比最低工作溫度低3-5攝氏度以上,凝點過高,將造成油路堵塞。中國10#柴油的凝點為10℃,0#為0℃。
洋馬要求使用柴油: 十六烷值大等于45 (低于45 會冒白煙); 硫含量低于0.5%,最好低于0.05%;
塵埃含量低于0.01%; 殘碳量低于0.35%,最好低于0.1%; 水和沉淀物低于0.05%
根據中國國標: 10號輕柴油適用有預熱設備的柴油機;5號輕柴油適用于最低氣溫8℃地區
0號輕柴油適用于最低氣溫4℃地區;-10號輕柴油適用于最低氣溫-5℃地區
-20號輕柴油適用于最低氣溫-14℃地區;-35號輕柴油適用于最低氣溫-29℃地區
-50號輕柴油適用于最低氣溫-44℃地區。(風險率為10%)
洋馬發動機柴油、機油和冷凍液
機油:
API 等級 CD 或CF(美國石油工業標準)最高溫度在120℃以下使用,更換周期為250小時。
機油溫度越高,機油越??;同時溫度也影響機油的使用壽命。TBN值說明,小于2需更換..
SAE(粘度等級) 汽車工程協會標準,根據環境溫度選擇,夏季在中國大多數地區可使用
15W-40的機油。

標準機油油底殼(機油加入量適合) IDI:各方向傾斜20°以下可連續使用,傾斜25 °3分鐘內可以; DI:各方向傾斜25°以下可連續使用,傾斜30°3分鐘內可以。
冷卻液:
使用軟水, 在水質較硬的地區,要使用蒸溜水;
要使用防凍劑與軟水的混合液作為冷卻液, 要使用長效防凍液,比例為30%以上的防凍液;
環境溫度越低,比例越高.
加入30%的防凍液, 水溫理論上會上升1℃(實際可能為2-3℃)
注意:
對于鋁合金汽缸不要采用含有硅酸鹽成分的防凍液,因為在發動機運轉后,會產生凝膠狀的纖維沉淀物。降低對鋁合金的保護;機械密封磨損,導致漏水。
高海拔地區使用
發動機輸出功率受進氣溫度、大氣壓力、空氣濕度影響。大氣壓力一般每升高1000米,氣壓下降10%左右。若單考慮氣壓下降的原因,發動機一般海拔每升高1000米,下降7%左右,在功率下降的同時海拔每升高100米,為保持排氣煙度則需要0.5%來修正.
在高海拔地區使用發動機可能產生以下問題:
1、啟動困難(海拔不是直接原因,主要還是空氣溫度影響,因氣壓較低導致壓縮后溫度也較低)
2、冒白煙(通常溫度,啟動后會立即產生白煙,其消失時間隨海拔升高而延長,即暖車時間延長)
3、不發火(由于啟動后,預熱系統斷電,使進氣溫度和壓縮后溫度下降,從而使著火延遲進而導致不發火,在暖車過程中都可能出現,其消失時間隨海拔升高而延長,即暖車時間延長。
為改善以上情況:
1、使用高十六烷值柴油:50—55
2、延長預熱到暖車過程:通電5分鐘
3、提前供油提前角:每升高3000米提前2°至3°或更多
洋馬發動機機油壓力開關、水溫開關、節溫器
洋馬發動機機油壓力開關:
在發動機停機或機油壓力過低時,其中心插頭與汽缸體是導通的, 發動機正常運轉后斷開, 其開啟壓力為小于49.0±9.8kPa.
洋馬TNV系列發動機的機油壓力在0.29MPa-0.49MPa之間,各型號有所不同.
洋馬發動機水溫開關:
在發動機冷卻水溫度在正常情況下,其中心插頭與汽缸體是不導通的, 當冷卻水溫度在107℃-113℃時導通.
洋馬發動機節溫器:
在冷卻水溫度低于69.5℃時,節溫器是關閉的,這時冷卻水走小循環; 當水溫在69.5℃-72.5℃時節溫器開始打開,在85℃時全部打開,開啟8mm以上; 冷卻水這時完全走大循環.
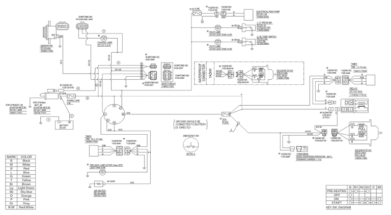
洋馬發動機電氣線路與維護
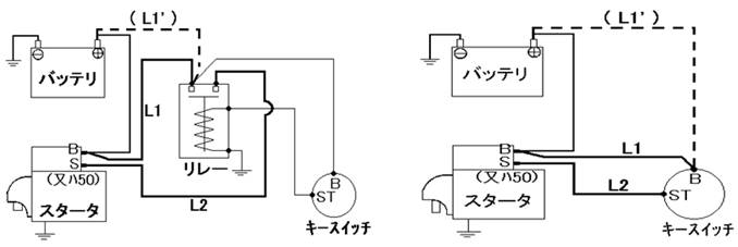
上面兩圖為啟動馬達的兩種不同的接線圖,左圖采用了繼電器,右圖則之間由鑰匙開關來控制啟動馬達.啟動時間不要超過10秒,超過15秒則視為誤操作。空載測試馬達不應超過30秒.

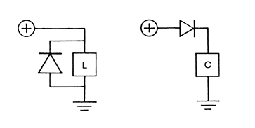
左圖為L-電路和C-電路續流二極管的接法, 對于存在L-電路和C-電路的地方必須接續流二極管,以防止脈沖電壓的產生,從而引起電路其它元件的損傷.
洋馬發動機電氣線路圖

洋馬發動機拆卸注意事項
●先放干機油、冷卻液、柴油。
●有些部件在拆卸前要做標記
●有些部件要按原安裝順序放置,以便安裝時不混淆
●同一系統的零件放在一起
●各種管路不得折彎
●精密的零件,如活塞、噴油器、軸承瓦、缸蓋等不要直接放在地上,應放在容器里或支架上
●有些零件需要用專用工具或特定位置才能拆下,不要硬拆
●檢查各零件是否可再用
●要按照指導老師的指導步驟進行拆卸,不要亂拆
●在指導老師進行講解時要停止拆卸,認真聽講
●拆卸時要注意安全,需穿手套時要穿手套,保持現場清潔及時擦去油污
●工具使用完要放回原處,拆卸完畢后要整理現場和工具
拆卸洋馬發動機燃油噴射泵
拆下發動機齒輪箱前的噴油泵齒輪蓋;在噴油泵驅動齒輪與惰輪嚙合位置做標記;做好標記后不要轉動曲軸;
松開噴油泵與齒輪箱之間的緊固螺母前,應在齒輪箱與噴油泵上正時標記相對應的位置上做標記,同樣做好標記后不要轉動曲軸;
拆下高壓噴油管路和潤滑油管路,斷開噴油管路、冷卻管路、安裝支架等;
使用雙螺栓拉把將噴油泵驅動齒輪從噴油軸上拆下,完全旋出驅動齒輪螺母;旋開噴油泵固定螺母;注意,在拆卸噴油泵后,不要轉動曲軸;
重新組裝時按標記裝回即可。
YANMAR發動機日常維護保養
定期維修表(一般情況)
每日運行前檢查
初次運行50小時后檢查
運行每50小時后檢查
每250小時或3個月檢查
每運行500小時或6個月檢查
每運行1000小時或1年檢查
每運行2000小時或2年檢查
長時間儲存的維護
洋馬發動機定期維護
發動機的定期檢查時間表隨發動機的應用,負載情況,燃油和潤滑油的質量好壞等情況變化很大,很難統一劃定,以下為中國地區一般情況下的維護間隔.
另外在初次使用發動機的頭1小時,先怠速運行15分鐘,檢查機油壓力,各部件是否有滲漏(燃油\機油\冷卻水),各指示燈是否正常;接著應不停地變動轉速和負載,短時間的高速和滿負載運行是必要的;但在接下來的4-5小時應避免在低速低負載及高速滿負載下長時間運行.
洋馬發動機每日運行前檢查
確保每次啟動發動機前必須進行如下檢查:
序號 檢查項目
(1)發動機外部檢查
(2)燃油箱油量檢查及加油
(3)潤滑油油量檢查及潤滑油補給
(4)冷卻水量檢查及冷卻水補給(副水箱水位)
(5)燃油管和冷卻水管檢查和維修
(6)調速器桿及加速器檢查和調整
(7)警告燈和儀表檢查
洋馬發動機機油油量檢查及機油補給
油量檢查
補充潤滑油

洋馬發動機油量檢查
調整機器位置水平后,將油量計完全插入,測量油量高度.如果發動機開機后已加油,應在發動機停機后10分鐘以后檢查,確保機油回到機油盤中.
標準 -油量應位于油量計最高點和最低點之間;重新添加機油后,應等3分鐘,再進行油位測量.
洋馬發動機補充機油
如果所剩的潤滑油很少,用專門的發動機潤滑油將油量加到指定的量度.
[注意]
機油不能超過量油計的最高線,此外,自然吸氣式發動機在運行過程中可能會將機油吸入燃燒室而導致白煙,噪音,飛車這是由于在吸氣流中竄漏氣的減少,而對于渦輪增壓式發動機,機油還可能從增壓器處噴射出,發動機也可能運行不良.
洋馬發動機初次運行50小時后檢查
確保在發動機初次運行50小時后檢查下列部件,此后每250小時或3個月檢查一次.序號檢查部件
(1)機油和機油濾清器替換
(2)V帶張力檢查


洋馬發動機運行每50小時后檢查
確保每運行50小時后,檢查下述部件:
序號 檢查部件
(1)油水分離器排水
(2)燃油系統是否進空氣
(3)電池電解質容量檢查及充電
洋馬發動機每250小時或3個月檢查
確保每運行250小時或3個月檢查下列部件:
序號 檢查部件
(1)機油和機油濾清器替換
(2)燃油濾清器濾芯的更換
(3)燃油箱排油
(4)散熱器片清洗
(5)V帶張力檢查
(6)調速器桿及加速器檢查和調整
(7)空氣濾清器的清洗及元件更換
洋馬發動機空氣濾清器的清洗及元件更換
當空氣濾清器芯被灰塵阻塞,發動機性能遭到嚴重破壞,拆卸后應定期認真清洗空氣濾清器.進氣管負壓最大為6.23K帕,超過要清洗或更換.
如果濾清器有雙重芯子,不要清洗內芯.安裝內芯的目的是發動機運轉時卸下外芯后可重新設置或避免在發動機運轉時外芯遭到不預期的損壞.

洋馬發動機每運行500小時或6個月檢查
確保每運行500小時或6個月檢查下列部件:
序號 檢查部件
(1)油水分離器的清洗
(2)空氣濾清器的清洗及濾芯更換
洋馬發動機每運行1000小時或1年檢查
確保每運行1000小時或1年檢查下列部件:
序號 檢查部件
(1)冷卻水更換
(2)膜片總成檢查
(3)渦輪增壓器送風機清洗
(4)進/排氣閥門間隙調整
(5)噴油嘴油壓檢查
洋馬發動機每運行2000小時或2年檢查
確保每運行2000小時或2年檢查下列部件:
序號 檢查部件
(1)冷卻水道沖洗及維修
(2)油管和水道檢查和維修
(3)進氣/吸氣閥座重疊
(4)噴油正時調整
噴油泵檢查和調整
洋馬發動機故障診斷:汽缸壓力測試分析
汽缸壓力壓力下降由活塞與汽缸磨損間隙加大、進排氣門與氣門座出現間隙、噴油嘴墊片漏氣、汽缸頭墊漏氣引起。汽缸壓力下降是下排氣大的主要原因,下排氣大的現象是機油污染、機油消耗增加、啟動困難。活塞環磨損和斷裂、汽缸拉缸也都會導致汽缸壓力下降。
4TNE92的汽缸壓力為:2.94±0.1MPa/250rpm;下限為2.35±0.1MPa/250rpm;每缸差異在0.2-0.3MPa
洋馬發動機組裝注意事項
●組裝前,用適當的溶劑應清潔各零件
●所有的密封件都要換新的
●螺栓按扭矩要求順序緊固,需分步緊固的要分步緊固
●按拆卸的逆順序組裝,即后拆先裝
●軸承瓦、傳動件、偶件等原位安裝
●安裝時有些零件要潤滑的要潤滑
●軸承瓦背不能潤滑
●注意主軸承蓋、活塞、連桿、汽缸墊的組裝方向
●有做標記的要按標記裝回,該對準的要對準如正時齒輪、噴油泵等
●組裝完要進行調整的要調整如氣門間隙等
●組裝后需要遮蓋的部件,在裝蓋前要進行確認是否漏裝零件或有沒零件掉入
●組裝時有些部件需要專用工具或在特定位置才能安裝的,不要硬裝
●要聽從指導老師的講解,按指導組裝,組裝時老師會進行一些技巧、調整方法等的說明
●組裝要保持現場清潔,注意安全;組裝完成后要清理現場和整理工具
洋馬發動機氣門間隙調整
找到壓縮上止點(工作順序1-3-4-2),即第一缸排氣門關閉進氣門剛要開時,第四缸為壓縮上止點;其它各缸按工作順序可找得到,分別調整。
調節氣門搖臂與氣門之間的間隙,0.2mm

*表格中的TDC 指的是壓縮上止點.
洋馬發動機活塞與汽缸套的匹配
活塞由于加工誤差有四種規格,為L、ML、MS、S;在活塞頂部有標識。L:+0.005——+0.015mm, ML:0——+0.005mm, MS:-0.005——0mm, S:-0.005——--0.015mm
缸套由于加工誤差也有三種規格,為L、M、S;在汽缸體側面有標注。L:0.020-0.030mm,M:0.010-0.020mm,S:0-0.010mm

上表中橫列指活塞,豎列指汽缸;○:可匹配,×:不可匹配
洋馬發動機單孔噴油嘴—間接噴射發動機
檢查洋馬發動機噴油嘴 (IDI-injector)
根據需要,決定是否拆卸、重裝并清洗噴油嘴
檢查霧化情況
使用噴油嘴測試臺
或在發動機上測試: 在噴射點附近前后轉動飛輪
在噴油嘴下方放一張白紙: 霧化良好時會形成完美的圓環
檢查洋馬發動機噴射壓力
1) 檢查噴油嘴開啟壓力:
方法: DI: 快速長沖程, 1~2 次 / 秒.
IDI: 慢速短沖程
極限 :新噴油嘴需要磨合 按比下表中標準高 5 Bar調整:

極限 : 使用過的噴油嘴: 所有型號最大允許壓力降為: < 10 Bar.
2) 緊密性檢查Seat oil tightness check
方法: 提高供油壓力到剛好低于噴射壓力并保持5秒.
檢查是否有油從噴油嘴滴落

調整洋馬發動機噴油嘴開啟壓力或更換噴油嘴
如果噴油嘴壓力測試結果不好,清洗并檢查噴油偶件 (閥針采用重力下墜法)
洋馬發動機壓力調節方法:
根據爆炸圖拆卸
確定需要增加或減少多少墊片
增加或減少墊片:
DI: 增加 0.1mm 墊片等于增加 20 Bar的開啟壓力
IDI: 增加 0.1mm 墊片等于增加 7~10 Bar 開啟壓力
Reassemble nozzle case nut with metric 12-sided Metric socket 15
洋馬發動機噴射泵

洋馬發動機飛輪及啟動馬達小齒輪

洋馬發動機發電機、齒輪泵及啟動馬達
洋馬發動機發電機

洋馬發動機空濾和柴濾
