![]()
康明斯ISF3.8 CM2220 AN 和 ISF3.8 CM2220 IAN 系列發動機維修手冊
康明斯ISF3.8 CM2220 AN 和 IAN 發動機排氣系統 - 綜述
康明斯ISF3.8 CM2220發動機廢氣在配備渦輪增壓器的發動機上扮演著重要角色。渦輪增壓器由渦輪和壓縮機組成,二者由軸承系統支撐的公共軸連接在一起。渦輪增壓器使用來自發動機的排氣流轉動渦輪,后者反過來轉動壓縮機葉輪。一些發動機可能配備單渦輪增壓器或雙渦輪增壓器配置。對于康明斯ISF3.8 CM2220發動機單渦輪增壓器應用,廢氣流經渦輪增壓器,然后進入排氣系統。對于康明斯ISF3.8 CM2220發動機雙渦輪增壓器應用,廢氣流經高壓渦輪增壓器,然后流過低壓渦輪增壓器,最后進入排氣系統。

康明斯ISF3.8 CM2220 AN 和 IAN 發動機渦輪增壓式發動機 - 排氣泄漏
檢查康明斯ISF3.8 CM2220發動機排氣歧管、渦輪增壓器、排氣管有無排氣泄漏,消聲器或催化器是否阻塞。泄漏或阻塞會導致渦輪和葉輪工作轉速降低,減少壓入氣缸內的空氣量。排氣系統阻塞或泄漏的癥狀是:
康明斯ISF3.8 CM2220發動機排煙過大
康明斯ISF3.8 CM2220發動機進氣歧管壓力偏低
康明斯ISF3.8 CM2220發動機功率低。

注: 并非所有應用都配備選擇性催化還原 (SCR) 后處理系統。
注: 分解管可以作為一個獨立的部件,也可以作為整體式裝置連接到 SCR 催化器上。
康明斯ISF3.8 CM2220發動機后處理 SCR 系統設計用于降低從發動機排放到氮和水中的氮氧化物。后處理 SCR 排氣系統混合和轉換 DEF,以消除排放到大氣中的氮氧化物。該系統包括后處理 SCR 催化器、后處理分解管和涉及的任何輔助管路(彎頭等)。

注: 并非所有應用(帶 SCR)都配備后處理 DEF (DEF) 控制器 (1)。配備后處理 DEF 控制器的應用的 SCR 催化器上有兩個溫度傳感器。未配備后處理 DEF 控制器的應用將 DEF 控制模塊功能集成到了發動機 ECM 中。這些應用僅在 SCR 催化器上有一個溫度傳感器。
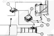
康明斯ISF3.8 CM2220發動機后處理 DEF 噴射系統監測并將 DEF 注入排氣流中。SCR 噴射系統包括后處理 DEF 控制器 (1)、后處理 DEF 噴射單元 (2)、后處理分解管和 SCR 催化器 (3)、后處理 DEF 噴射閥 (4)、DEF 儲液罐 (5) 和后處理 DEF 管 (6)。

注: 配備 DEF 控制模塊的所有應用(帶 SCR)都帶有一個進口溫度傳感器 (1) 和一個出口溫度傳感器 (2)。未配備 DEF 控制模塊的 SCR 催化器應用僅在 SCR 催化器上有一個進口溫度傳感器 (1)。
1. 后處理 SCR 設計用于使用這些主要部件降低發動機的氮氧化物排放。
2. 后處理 SCR 進口溫度傳感器
3. 后處理 SCR 出口溫度傳感器
4. 后處理 SCR 催化器
5. 后處理出口 NOx 傳感器
6. 后處理 SCR 催化器溫度傳感器接口模塊。
7. 在初始冷起動期間,發動機將進入 SCR 加熱狀態。為了使系統開始 DEF 噴射,SCR 催化器必須具有至少為 200°C [392°F] 的進口和出口溫度傳感器平均溫度。
SCR 催化器出口處的氮氧化物傳感器 (4) 將監測排氣系統的氮氧化物排放量,并將信息送回 ECM。

康明斯ISF3.8 CM2220發動機DEF 噴射閥安裝在分解管上。分解管含有一個混合器,用于幫助將 DEF 均勻地分配到排氣流中,從而將 DEF 轉換為氨。
1. 后處理分解管進口
2. 后處理 DEF 噴射閥支架
3. 后處理分解管混合器
4. 后處理分解管出口。

注: 并非所有應用(帶 SCR)都配備后處理 DEF (DEF) 控制器。配備后處理 DEF 控制器的應用將會在 SCR 催化器上有兩個溫度傳感器。未配備后處理 DEF 控制器的應用將 DEF 控制模塊功能集成到了發動機 ECM 中。這些應用僅在 SCR 催化器上有一個溫度傳感器。
康明斯ISF3.8 CM2220發動機后處理 DEF 控制模塊通過 J1939 數據通信接口控制后處理系統的功能并與發動機 ECM 進行通信。在監測環境條件的同時,它指令后處理 DEF 噴射單元和后處理 DEF 噴射閥進行凈化、加注以及保持噴射。后處理 DEF 控制模塊也控制任何必要的加熱來使噴射系統解凍。后處理 DEF 控制模塊檢測到的任何故障都會被發送至 ECM。
86 針和 53 針接頭的電氣連接點。
參考下列步驟以了解更多信息。參考第 11 節中的步驟 011-057。

康明斯ISF3.8 CM2220發動機后處理 DEF 噴射閥由后處理 DEF 控制模塊控制并根據需要向排氣流中噴射正確數量的 DEF。發動機冷卻液供應至 DEF 噴射閥以保持閥的冷卻和可操作狀態。
密封墊
DEF 進口端口
至后處理 DEF 控制器的電氣接頭
冷卻液進口和出口端口
隔熱板。
參考下列步驟以了解更多信息。參考第 11 節中的步驟 011-059。

后處理 DEF 噴射單元是噴射系統泵機制。后處理 DEF 噴射單元通過其吸入端口吸取 DEF 并對它進行過濾。然后,后處理 DEF 噴射單元對 DEF 進行加壓并以恒定壓力將其供應至 DEF 噴射閥。它不會計量要噴射的 DEF 量。任何未經使用的 DEF 都會通過回流端口返回 DEF 儲液罐。
后處理 DEF 噴射單元的主要部件包括:
后處理 DEF 噴射單元濾清器(內部)和蓋
電氣接頭
進口端口
回流端口
出口端口
參考以下步驟以了解關于后處理 DEF 噴射單元的更加詳細的描述。參考第 11 節中的步驟 011-058。對于后處理 DEF 噴射單元濾清器,請使用以下步驟。參考第 11 節中的步驟 011-060。
后處理 DEF 噴射單元濾清器需要定期維護保養。使用《ISF3.8 CM2220 AN 操作和維護保養手冊》(公告號 4022092)中的以下步驟以了解維護保養規程。請參考第 2 節中的步驟 102-002。

DEF 儲液罐設計用于儲存 DEF 并向后處理 DEF 控制模塊報告 DEF 儲液罐液位和 DEF 儲液罐溫度。
如果儲液罐液位過低,它會觸發一個低警告。如果這受到忽略,儲液罐液位會進一步降低,它將會設置一個罐空故障并觸發發動機減額。參考 OEM 維修手冊。
如果儲液罐加注了不正確的處理液(除了 DEF 以外的任何處理液),后處理系統將無法正常工作。一個故障將會變為現行狀態,發動機減額會被觸發。
參考《Cummins® 選擇性催化還原 (SCR) 系統柴油機排氣處理液 (DEF) 技術規范》(公告號 4021566)以了解柴油機排氣處理液信息。
DEF 儲液罐尺寸和形狀變化。參考 OEM 維修手冊。

康明斯ISF3.8 CM2220發動機后處理 DEF 管在 DEF 儲液罐、后處理 DEF 噴射單元和后處理 DEF 噴射閥之間來回運送 DEF。
DEF 在加注或操作狀態期間注入管,隨后在凈化狀態被清除,以防系統凍結。DEF 管接頭、長度和設計隨車輛制造商而變化。根據應用類型,DEF 管可能與由 DEF 噴射控制模塊控制的電加熱元件組合在一起。參考 OEM 維修手冊。

康明斯ISF3.8 CM2220發動機SCR 系統包含許多部件,但是需要最少量的維修或駕駛員干擾。SCR 系統由四個主要狀態組成:加注、噴射、凈化和加熱。加注狀態:在發動機起動時,后處理 DEF 控制模塊指令后處理 DEF 噴射單元啟動其加注過程。后處理 DEF 噴射單元會從 DEF 儲液罐中吸取 DEF。DEF 通過 DEF 控制供應至 DEF 噴射閥。后處理 DEF 噴射閥打開和關閉以排出系統中的所有空氣。在正常操作過程中,這一過程最多可能需要 2 分鐘。一旦系統能夠建立壓力并且除去了 DEF 管中的大部分氣泡,后處理 DEF 噴射系統就能夠噴射。、噴射狀態:當排氣溫度達到 200ºC [392ºF] 時,后處理 DEF 噴射閥會快速啟動并將排氣流中噴射 DEF。然后,DEF 被轉化為氨并流經后處理柴油機排氣催化器,在該處將會發生化學反應以減小排放到氮和水中的氮氧化物。當系統處于噴射狀態時,后處理 DEF 噴射單元連續運行。噴射的 DEF 量由后處理 DEF 噴射閥進行計量。DEF 噴射率取決于車輛工作負載循環。未經后處理 DEF 噴射閥使用的所有 DEF 都將返回 DEF 儲液罐。
凈化狀態:在駕駛員將鑰匙置于 OFF(斷開)位置時,噴射系統將會以一個凈化循環來停機,這是為了防止 DEF 留在系統中,否則在寒冷天氣中會有凍結的可能。在處于凈化循環中時,從 DEF 噴射單元聽到清晰的咔嗒聲和泵送聲。DEF 噴射單元滑動其內部回流閥并在 DEF 控制的流動方向上做一個變更。DEF 噴射單元從后處理 DEF 噴射閥和管中吸出所有 DEF,然后將未經使用的 DEF 送回 DEF 儲液罐。在這一過程中,后處理 DEF 噴射閥將會打開,從而消除管路中形成的真空以實現更加完整的凈化過程。在完成凈化后,系統中的大部分地方將沒有任何剩余的 DEF。如果在凈化狀態完成之前斷開了后處理 DEF 控制模塊的主電源(通過蓄電池切斷或其他方式),則 ECM 中將會記錄一個內部故障。可在 INSITE™ 服務軟件中查看未完成的凈化計數。
加熱狀態:DEF 在 -12ºC [11ºF] 凍結。如果駕駛員在冷天起動發動機,將激活噴射加熱狀態。如果大氣溫度傳感器讀取到環境條件低于 -4ºC [25ºF],則后處理 DEF 控制器將會指令噴射系統進入解凍狀態。后處理噴射單元將會接通其內部加熱器,以便對其內部的所有殘留 DEF 進行解凍。如果應用有 DEF 管加熱選項,則加熱式 DEF 管也將會被指令接通。如果 DEF 儲液罐溫度降至 -5ºC [23ºF] 以下,則后處理 DEF 控制模塊將會指令打開 DEF 儲液罐冷卻閥。如果應用有儲液罐加熱選項,發動機冷卻液將流經儲液罐來解凍凍結的 DEF。在每個部件完全解凍前,DEF 噴射系統不會進行加注。如果在系統加注后持續低溫,后處理 DEF 控制模塊將會指令保持加熱特性,以防止 DEF 噴射系統再次凍結。此特性將會循環接通和斷開至 DEF 管、DEF 儲液罐和后處理 DEF 噴射單元的加熱。
康明斯柴油發動機指示燈亮,進口康明斯發動機故障標志,康明斯故障碼s108f是什么意思?,康明斯發動機故障代碼 fault code 115,湖南中聯重科旋挖鉆機發動機維修,湖南中聯重科旋挖鉆機維修,湖南卡特彼勒煤礦設備發動機維修,湖南神鋼挖掘機維修,湖南神鋼挖掘機發動機維修,湖南懷化神鋼挖掘機發動機維修,湖南懷化神鋼挖掘機維修