韓國斗山大宇交流發電機的故障現象與維修技術(Alternator)
a) 交流發電機(24Vx60A)
� 交流發電機裝有整體式硅整流器。一個裝在交流發電機內部的晶體管穩壓器,限
定交流發電機的電壓。
� 除非穩壓器與電瓶連接,否則不要啟動交流發電機,以免燒壞整流器和穩壓器。

� 盡管交流發電機可以自動維護,仍需防塵、防霧、防水。

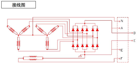
b) 韓國斗山大宇交流發電機(24Vx150A)

� 韓國斗山大宇穩壓器連接
- N 端:斷開電流指示燈,用電壓表檢測電壓。
- A 端:轉變電壓表檢測輸出電壓。
- E 端:穩壓器接地(-)。
- F 端:提供轉子線圈電流。
