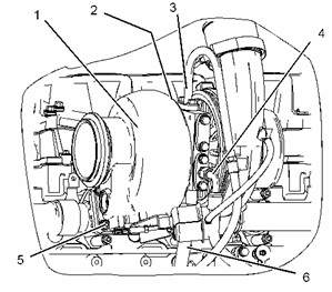
卡特彼勒3412C 發電機組渦輪增壓器 - 拆卸
排空冷卻系統。 請參考操作和保養手冊, "冷卻系統冷卻液 - 更換"。

斷開管組件 (3) 和管組件 (6) 。
斷開管組件 (2) 和管組件 (4) 。
在渦輪增壓器 (1) 上固定適當的提升裝置。渦輪增壓器的重量約為 34 kg (75 lb)。
卸下鎖緊螺母 (5) 。從排氣歧管上卸下渦輪增壓器 (1) 和密封墊。
卡特彼勒3412C 發電機組渦輪增壓器 - 拆解
拆下渦輪增壓器。 請參閱拆解和組裝, "渦輪增壓器 - 拆卸"。

從壓縮機殼體上斷開軟管 (6) 。
松開 V 形帶箍 (2) 和 (4) 。
將壓縮機殼體 (5) 和渦輪增壓器芯 (3) 分離。
將渦輪殼體 (1) 和渦輪增壓器芯 (3) 分離。
拆下螺栓 (7) 、蓋 (8) ,然后拆下密封墊(未顯示)。 對所有其他蓋重復此步驟。
卡特彼勒3412C 發電機組渦輪增壓器 - 組裝

將蓋 (8) 和密封墊(未顯示)放置到位。安裝螺栓 (7) 并用手擰緊。 將螺栓 (7) 擰緊至扭矩為 25 ± 6 N·m (18 ± 4 lb ft)。將螺栓 (7) 擰緊到 47 ± 9 N·m (35 ± 6 lb ft) 的最終扭矩。 對所有其他蓋重復此步驟。
將壓縮機殼體 (5) 和渦輪殼體 (1) 放置到渦輪增壓器芯 (3) 上。
注: 確保配合面平整。
擰緊 V 形帶箍 (2) 上的螺母至扭矩為 17 ± 1 N·m (124 ± 9 lb in)。 用軟面錘輕輕敲擊卡箍直徑周圍區域。 將螺母重新上緊到 17 ± 1 N·m (124 ± 9 lb ft) 的扭矩。
擰緊 V 形帶箍 (4) 上的螺母至扭矩為 17 ± 1 N·m (124 ± 9 lb in)。 用軟面錘輕輕敲擊卡箍直徑周圍區域。 將螺母重新上緊到 17 ± 1 N·m (124 ± 9 lb ft) 的扭矩。
確保葉輪可以自由旋轉。
將軟管 (6) 連接到壓縮機殼體上。
End By: 安裝渦輪增壓器。 請參閱 拆解和組裝, "渦輪增壓器 - 安裝"。

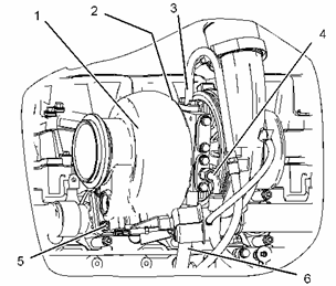
將密封墊安置在排氣歧管上。
在排氣歧管雙頭螺栓的螺紋上涂抹工具 (A) 。
將適當起吊設備連在渦輪增壓器 (1) 上。 渦輪增壓器的重量約為 34 kg (75 lb)。將渦輪增壓器 (1) 安置在排氣歧管上。
注: 使用后請丟棄鎖緊螺母。安裝時請使用新的鎖緊螺母。
安裝鎖緊螺母 (5) ,然后用手擰緊。
連接管組件 (4) 。
將管組件 (2) 和密封墊(未顯示)放置到位。將固定管組件的螺栓擰緊至扭矩為 25 ± 6 N·m (18 ± 4 lb ft)。 將螺栓擰緊至最終扭矩 47 ± 9 N·m (35 ± 6 lb ft)。
連接管組件 (3) 和管組件 (6) 。
擰緊鎖緊螺母 (5) 至扭矩為 55 ± 5 N·m (41 ± 4 lb ft)。
加注冷卻系統。 請參考操作和保養手冊, "冷卻系統冷卻液 - 更換"。
沃爾沃發電機組ECU通信故障怎么處理,沃爾沃柴油發電機啟動后又自動停機?,康明斯 powercommand 1.2 菜單語言 轉換,康明斯柴油發動機型號160油門加不起來是怎么回事