卡特彼勒3412C 發電機組窗體底端
搖臂和搖臂軸- 拆卸
拆卸步驟
|
表 1 | |||
|
需要的工具 | |||
|
工具 |
零件號 |
零件名稱 |
數量 |
|
A |
124-2946 |
提升支架 |
1 |
開始:
卸下氣門機構蓋。 請參閱拆解和組裝, "氣門機構蓋 - 拆卸和安裝"。
如有必要,卸下可變氣門執行器。 請參閱拆解和組裝, "可變氣門執行器 - 拆卸"。

拆卸螺栓 (2) 。
用工具 (A) 整體拆卸搖臂軸組件 (4) 、氣門搖臂 (3) 以及電子單體噴油器搖臂 (1) 。
卡特彼勒3412C 發電機組搖臂 - 拆卸
拆解步驟
開始:
拆下搖臂和搖臂軸。 請參閱拆解和組裝, "搖臂和搖臂軸 - 拆卸"。

從搖臂軸組件 (4) 上拆下氣門搖臂 (11) 和電子控制單體噴油器 (3) 。
從調節螺絲 (8) 上拆掉防松螺母 (7) 。
將調整螺釘 (8) 從氣門搖臂 (11) 上拆下。
將按鈕 (10) 從調整螺釘 (8) 上拆下。 將 O 形密封圈 (9) 從調整螺釘上拆下。
將防松螺母 (2) 從單體噴油器調整螺釘 (1) 上拆下。
將單體噴油器調整螺釘 (1) 從電子單體噴油器搖臂 (3) 上拆下。
將按鈕 (6) 從單體噴油器調整螺釘 (1) 上拆下。 將 O 形密封圈 (5) 從單體噴油器調整螺釘上拆下。
卡特彼勒3412C 發電機組搖臂 - 組裝

注: 如果螺帽從調整螺釘上拆下來的話,就不要再用舊的 O 形密封圈了。
將 O 形密封圈 (9) 安裝在螺帽 (10) 中。
用軟錘將螺帽 (10) 固定到調整螺釘 (8) 上。
將調整螺釘 (8) 安裝到氣門搖臂 (11) 上。 把防松螺母 (7) 安裝到調整螺釘上。
將 O 形密封圈 (5) 安裝在螺帽 (6) 中。
用軟錘把螺帽 (6) 固定在單體噴油器調整螺釘 (1) 上。
將單體噴油泵調整螺釘 (1) 安裝到電子單體噴油器搖臂 (3) 中。 將防松螺母 (2) 安裝在單體噴油器調整螺釘上。
用清潔的發動機機油潤滑搖臂軸組件 (4) 。
將氣門搖臂 (11) 和電子單體噴油器搖臂 (3) 安裝到搖臂軸組件 (4) 上。
End By: 安裝搖臂和搖臂軸。 請參閱 拆解和組裝, "搖臂和搖臂軸 - 安裝"。
卡特彼勒3412C 發電機組搖臂和搖臂軸 - 安裝
|
表 1 | |||
|
所需工具 | |||
|
工具 |
零件號 |
零件說明 |
數量 |
|
A |
124-2946 |
提升支架 |
1 |


用工具 (A) 把搖臂軸組件 (4) 、氣門搖臂 (3) 以及電子單體噴油器搖臂 (1) 作為一個整體安置到缸蓋上。
注: 安裝之前,在螺栓頭的下部上涂抹清潔的發動機機油。
安裝螺栓 (2) ,并擰緊至扭矩為 55 ± 5 N·m (41 ± 4 lb ft)。重新擰緊螺栓 (2) 至扭矩為 55 ± 5 N·m (41 ± 4 lb ft)。 再將螺栓 (2) 轉動 60 ± 5 度。 按照以下順序擰緊凸輪軸螺栓:2、3、1、4。
調節進氣門和排氣門的氣門間隙。 請參閱測試與調整, "發動機氣門間隙 - 檢查 / 調整"。
調整電子單體噴油器。 請參閱測試與調整, "電子單體噴油器 - 調整"。
End By:
如有必要,安裝可變氣門執行器。 請參閱 拆解和組裝, "氣門執行器(可變)- 安裝"。
安裝氣門機構蓋。 請參閱 拆解和組裝, "氣門機構蓋 - 拆卸和安裝"。
卡特彼勒3412C 發電機組缸蓋- 拆卸
拆卸步驟
開始:
卸下凸輪軸齒輪。 請參閱拆解和組裝, "凸輪軸齒輪 - 拆卸和安裝"。
拆卸電子單體噴油器。 請參閱拆解和組裝, "電子單體噴油器 - 拆卸"。
拆卸氣門機構蓋底座。 請參閱拆解和組裝, "氣門機構蓋底座 - 拆卸和安裝"。
拆卸渦輪增壓器。 請參閱拆解和組裝, "渦輪增壓器 - 拆卸"。
排空冷卻系統。 請參考操作和保養手冊, "冷卻系統冷卻液 - 更換"。

卸下螺栓 (2) 和止推盤 (1) 。

卸下密封盤 (3) 和接頭組件 (4) 。

從密封盤 (3) 上卸下 O 形密封圈 (5) 和 O 形密封圈 (6) 。

斷開軟管組件 (8) 。
斷開軟管組件 (12) 。
拆卸螺栓 (10) 。將燃油濾清器底座 (9) 移到旁邊。
從缸蓋上卸下螺栓 (11) 和呼吸器管。
卸下螺栓 (7) ,然后從缸蓋上卸下支架。
斷開增壓壓力傳感器 (13) 。
斷開進氣溫度傳感器 (14) 。

卸下水溫調節器殼體 (17) 。
卸下綁帶 (18) 。
將適當的起吊設備接連在缸蓋 (16) 上。 缸蓋的重量約為 235 kg (518 lb)。
卸下缸蓋螺栓 (15) 。
小心地卸下缸蓋 (16) 。

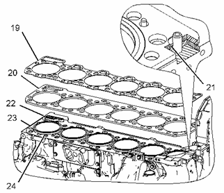
卸下缸墊 (19) 。
卸下隔盤 (20) 。
卸下密封 (24) 和密封 (22) 。
卸下隔盤密封墊 (23) 。
從缸體中的定位銷上卸下 O 形密封圈 (21) 。
德國man發動機維修,住友挖掘機維修點,裝載機維修地址,長沙挖機發動機專修廠,湖南華容縣修卡特挖掘機的電話