Perkins1204e-e44tta和1206e-e66ta燃油電磁閥診斷維維修故障碼
電磁閥系統試驗維修操作說明
|
J1939 代碼 |
故障代碼解釋 |
故障原因分析 |
|
1076-5 |
發動機燃油噴射 泵燃油控制閥 :電流低于正常值 |
電子控制模塊(電子控制單元)檢測以下條件: 一種低電流條件下的輸出,從電解加工的電磁吸力 控制閥0.6秒 有沒有積極的168診斷代碼。 該電解加工已供電至少0.25秒。 如果配備,警告燈將出現。細胞外基質將記錄診斷代碼。 此診斷代碼檢測到該控制電路中的電磁線圈故障 最有可能是一個開放電路的閥門。 |
|
1076-6 |
發動機燃油噴射 泵燃油控制閥 :電流高于正常 |
電解加工檢測下列條件: 從電解加工到電磁線圈的高電流條件 控制閥0.6秒 有沒有積極的168診斷代碼。 該電解加工已供電至少0.25秒。 如果配備,警告燈將出現。細胞外基質將記錄診斷代碼。 此診斷代碼將檢測到該控制電路中的電磁線圈故障 閥。這個問題最有可能是由一個高邊的短接地或一個 低邊短。 |
|
1188-5 |
發動機渦輪增壓器 1旁通閥驅動: 電流低于正常值 |
電解加工檢測下列條件: 低電流條件下輸出從ECM的電磁閥的旁通閥 調節器 有沒有積極的168診斷代碼。 該電解加工已供電至少2秒。 如果配備,警告燈將一次診斷代碼已被激活 30秒。診斷代碼將被記錄。 發動機將被降級,這是積極的診斷代碼。在引擎之后 被降級的,電子服務工具將顯示“渦輪保護減免活動”。 這個診斷代碼將在電路檢測故障在放氣電磁閥 極有可能是一個斷路器。 |
|
1188-6 |
發動機渦輪增壓器 1旁通閥驅動: 電流高于正常 |
電解加工檢測下列條件: 高電流條件下輸出從ECM在旁通電磁閥 調節器 有沒有積極的168診斷代碼。 該電解加工已供電至少2秒。 如果配備,警告燈將一次診斷代碼已被激活 30秒。診斷代碼將被記錄。 發動機將被降級,這是積極的診斷代碼。在引擎之后 被降級的,電子服務工具將顯示“渦輪保護減免活動”。 這個診斷代碼將在電路檢測故障在放氣電磁閥 調節器。這個問題最有可能是由一個高邊的短接地或一個 低邊短。 |
Perkins1204e-e44tta和1206e-e66ta電子控制廢氣旁通閥
Perkins1204e-e44tta和1206e-e66ta用電子方式有渦輪增壓器控制廢氣旁通閥。通常,該旁通閥是于渦輪增壓器的機械閥為了調節進氣歧管壓力
一組值。
電控系統的控制系統旁通閥精確調節進氣歧管采用旁通閥調節器來控制壓力該旁通閥。
所需的進氣歧管壓力計算被包含在電子對抗中的軟件。這個ECM采用旁通閥調節器控制旁通閥以提供精確值進氣歧管壓力。電磁線圈旁通閥的調節是通過一個PWM信號控制從電解加工。
高壓燃油的吸氣控制閥泵:
高壓燃油泵配有一個吸氣控制閥。吸氣控制閥精確地控制進入的燃料量高壓燃油泵。
計算所需的燃料量被包含在電子對抗中的軟件。這個在吸氣控制閥內的電磁閥控制脈寬調制信號。
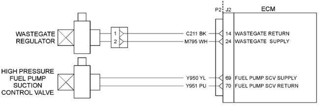
Perkins1204e-e44tta和1206e-e66ta電磁閥示意圖

該Perkins1204e-e44tta和1206e-e66ta電磁閥引腳的位置在P2連接器位置圖

(14)旁通閥返回
(24)旁通閥PWM信號
(69)高壓燃油泵吸氣控制閥脈寬調制信號
(70)高壓燃油泵吸氣控制閥返回

(1)典型的旁通閥調節器
(2)為旁通閥調節器連接器
perkins1204e-e44發動機高壓燃油泵

(3)對吸力控制電磁閥(SCV)
perkins1206e-e66發動機高壓燃油泵

(4)對吸力控制電磁閥(SCV)
Test Step 1. Inspect Electrical Connectors
and Wiring
A. Thoroughly inspect the connectors for the solenoid
valves. Refer to Troubleshooting, “Electrical
Connectors - Inspect” for details.
B. Perform a 45 N (10 lb) pull test on each wire that
is associated with the solenoid valves.
C. Check the screw for the ECM connector for the
correct torque of 6 N·m (53 lb in).
Expected Result:
Results:
• All connectors, pins, and sockets are correctly
connected and the harness is free of corrosion,
abrasion, and pinch points – Proceed to Test Step
2.
• There is a fault in the connectors and/or the
harness.
Repair: Repair the connectors or the harness
and/or replace the connectors or the harness.
Ensure that all of the seals are correctly in place
and ensure that the connectors are correctly
connected.
Use the electronic service tool in order to clear all
logged diagnostic codes and then verify that the
repair eliminates the fault.
STOP.
Test Step 2. Check for Diagnostic Codes
A. Turn the keyswitch to the OFF position.
B. Connect the electronic service tool to the
diagnostic connector.
C. Turn the keyswitch to the ON position.
D. Monitor the electronic service tool for active
diagnostic codes and/or logged diagnostic codes.
Results:
• An XXXX-5 diagnostic code is active or recently
logged – Proceed to Test Step 3.
• An XXXX-6 diagnostic code is active or recently
logged – Proceed to Test Step 4.
• No Codes – The fault seems to be resolved.
Repair: For intermittent faults, refer to
Troubleshooting, “Electrical Connectors - Inspect”.
STOP.
Test Step 3. Create a Short Circuit at the
Solenoid Connector
A. Turn the keyswitch to the OFF position.
B. Disconnect the connector for the suspect solenoid.
C. Fabricate a jumper wire. Install the wire between
the two pins on the connector for the suspect
solenoid in order to create a short circuit.
D. Turn the keyswitch to the ON position. Check for
active diagnostic codes on the electronic service
tool.
E. Remove the jumper wire from the connector for
the solenoid valve.
Results:
• Diagnostic code XXXX-6 is active when the jumper
wire is installed – There is a fault in the solenoid.
Repair: Perform the following procedure:
1. Temporarily connect a replacement for the
suspect component to the harness.
2. Turn the keyswitch to the ON position. Use
the electronic service tool in order to check
for active diagnostic codes. Wait at least
3. If the fault is eliminated, reconnect the suspect
component. If the fault returns, permanently
install the replacement component. Refer to
Disassembly and Assembly for the correct
procedure.
STOP.
• An XXXX-5 diagnostic code is still active with the
jumper installed – Proceed to Test Step 5.
Test Step 4. Disconnect the Solenoid in
order to Create an Open Circuit
A. Turn the keyswitch to the OFF position.
B. Disconnect the connector for the suspect solenoid
in order to create an open circuit.
C. Turn the keyswitch to the ON position. Check for
active diagnostic codes on the electronic service
tool. Wait at least 30 seconds in order for the
codes to be displayed.
Results:
• An XXXX-5 diagnostic code is now active – There
is a short in the solenoid.
Repair: Perform the following procedure:
1. Temporarily connect a replacement for the
suspect component to the harness.
2. If the fault is eliminated, reconnect the suspect
component. If the fault returns, permanently
install the replacement component. Refer to
Disassembly and Assembly for the correct
procedure.
STOP.
• Not OK – There is still an XXXX-6 diagnostic code.
Proceed to Test Step 5.
Test Step 5. Bypass the Engine Wiring
Harness
A. Turn the keyswitch to the OFF position.
B. Disconnect the P2 connector and the connector
for the suspect solenoid.
C. Remove the signal wire for the suspect solenoid
from the P1/P2 connector.
D. Remove the signal wire from the connector for the
suspect solenoid.
E. Fabricate a jumper wire that is long enough to
reach from the ECM to the connector for the
suspect solenoid with sockets on both ends.
F. Insert one end of the jumper into the plug for
the signal wire on the P2 connector. Insert the
other end of the jumper into the connector for the
suspect solenoid.
G. Reconnect the P2 connector and the connector
for the solenoid.
H. Turn the keyswitch to the ON position.
I. Use the electronic service tool in order to monitor
the “Active Diagnostic Code” screen. Monitor for
either the open circuit diagnostic code for the
suspect solenoid or the short circuit diagnostic
code for the suspect solenoid.
J. Remove the jumper and reconnect the wires that
were previously removed.
K. Reconnect the P2 connector and the connector
for the suspect solenoid.
Results:
• The diagnostic code disappears when the jumper
is installed – There is a fault in the wiring harness.
Repair: Perform the following repair:
1. Repair the faulty harness or replace the faulty
harness.
2. Use the electronic service tool in order to clear
all logged diagnostic codes and then verify that
the repair eliminates the fault.
STOP.
• The diagnostic code is still present with the jumper
installed
Repair: Perform the following repair:
1. Make sure that the latest flash file for the
application is installed in the ECM. Refer to
Troubleshooting, “Flash Programming”.
2. Contact Perkins Global Technical Support.
Note: This consultation can greatly reduce the repair
time.
3. If Perkins Global Technical Support recommend
the use of a test ECM, install a test ECM. Refer
to Troubleshooting, “Replacing the ECM”.
4. Use the electronic service tool to recheck the
system for active diagnostic codes.
5. If the fault is resolved with the test ECM,
reconnect the suspect ECM.
6. If the fault returns with the suspect ECM,
replace the ECM.
7. Use the electronic service tool in order to clear
all logged diagnostic codes and then verify that
the repair eliminates the fault.