John Deere約翰迪爾強鹿柴油發動機機油冷卻器配件維修維護技術零件資料手冊

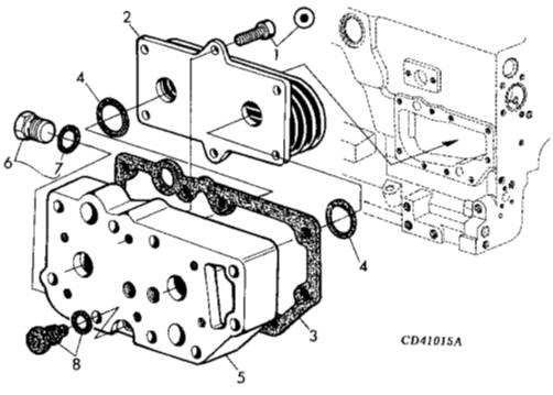
KEY PART NO. PART NAME QTY SERIAL NO. H REMARKS
1 RE67231 SCREW 6 X WITH SEALANT
2 RE59296 OIL COOLER 1 X 5 PLATES
3 R123501 GASKET 1 X
4 T122075 O-RING 2 X 29.820 X 2.616 MM
5 R123471 HOUSING 1 X
6 RE46685 PLUG 1 X M18 X 1.5
7 51M7043 O-RING 1 X 15.300 X 2.200 MM
8 RE500565 PIPE PLUG 1 X M12 X 1.5

KEY PART NO. PART NAME QTY SERIAL NO. H REMARKS
1 19M7970 SCREW 2 X M8 X 100, (10.9)
2 19M7802 SCREW 2 X M8 X 65, (10.9)
3 RE67238 SCREW 1 X WITH SEALANT
4 R135177 ADAPTER 1 X
5 R123502 GASKET 1 X
6 R61105 O-RING 2 X
7 R115252 TUBE 1 X

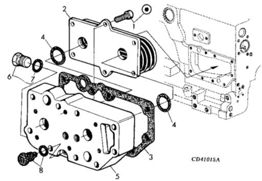
KEY PART NO. PART NAME QTY SERIAL NO. H REMARKS
1 RE67231 SCREW 6 X WITH SEALANT
2 RE56690 OIL COOLER 1 X 5 PLATES
3 R123501 GASKET 1 X
4 T122075 O-RING 2 X 29.820 X 2.616 MM
5 R123471 HOUSING 1 X
6 RE46685 PLUG 1 X M18 X 1.5
7 51M7043 O-RING 1 X 15.300 X 2.200 MM
8 RE500565 PIPE PLUG 1 X M12 X 1.5

KEY PART NO. PART NAME QTY SERIAL NO. H REMARKS
1 19M7970 SCREW 2 X M8 X 100, (10.9)
2 19M7802 SCREW 2 X M8 X 65, (10.9)
3 RE67238 SCREW 1 X WITH SEALANT
4 R135177 ADAPTER 1 X
5 R123502 GASKET 1 X
6 R61105 O-RING 2 X 37.694 X 3.531 MM
7 R115252 TUBE 1 X

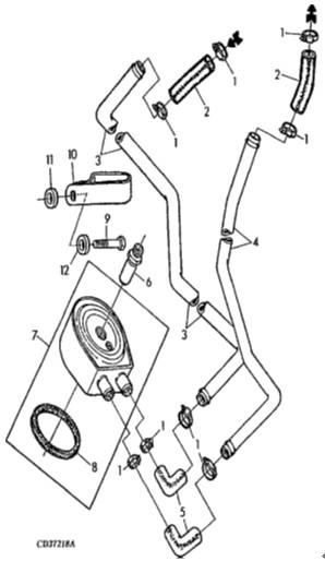
KEY PART NO. PART NAME QTY SERIAL NO. T REMARKS
1 AR21837 CLAMP 8 X
2 R83063 HOSE 2 X LGTH 2370MM, CUT TO LENGTH
3 R99259 LINE 1 X OD 16MM
4 R99258 LINE 1 X OD 16MM
5 R99254 HOSE 2 X
6 R125507 THREADED NIPPLE 1 X 13/16"-16UN X LGTH 54MM
7 RE61767 OIL COOLER 1 X
8 R125508 PACKING 1 X 67MM X 74.4MM X 3.6MM
9 19H2733 CAP SCREW 1 X 3/8" X 2-3/8", (SAE 8)
10 R53524 CLAMP 1 X
11 R99257 WASHER 1 X 10 X 20 X 5 MM
12 24M7106 WASHER 1 X 10 X 18 X 2.500 MM
ENGINES