康明斯Cummins QSK23柴油發動機四大系統
康明斯Cummins QSK23發動機燃油系統流程

康明斯Cummins QSK23發動機壓力傳感器裝在油泵出口燃油壓力緩沖管的末端,向ECM提供油泵出口壓力信號。

該總成包括 :

康明斯Cummins QSK23發動機控制閥總成有一個燃油進口和兩個燃油出口.執行器控制通過出口的燃油流.燃油計量執行器控制燃燒所需要的燃油量.燃油正時執行器控制實現無極可變正時所需燃油量.


康明斯Cummins QSK23發動機燃油道集成在進氣管內,包含正時、計量及回油油道。

康明斯Cummins QSK23發動機冷卻系統流程

康明斯Cummins QSK23發動機潤滑系統流程

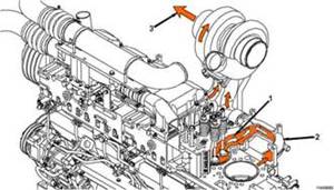
康明斯Cummins QSK23發動機進氣系統

康明斯Cummins QSK23發動機排氣系統

康明斯Cummins QSK23發動機進排氣系統流程框圖
