![]()
康明斯B3.3和QSB3.3發動機維修手冊充電機
目錄
![]()
初始檢查
(插圖中顯示的)端子提供的電壓為系統電壓的一半,它們用來操作一些附件,如發電機組上的轉速表。
下列充電機選裝件可裝在康明斯B3.3和QSB3.3發動機上:
|
伏特 |
電流 |
接地 |
|
12-VDC |
35 |
負極(-) |
|
12-VDC |
60 |
負極(-) |
|
12-VDC |
120 |
負極(-) |
|
24-VDC |
35 |
負極(-) |

充電系統的故障可以通過指示燈或安培表顯示。

按照下面的步驟,檢查指示燈是否正常工作。
|
康明斯B3.3和QSB3.3發動機 |
開關 |
指示燈 |
電流表 |
|
停止 |
斷開 |
斷開 |
0 |
|
停止 |
接通 |
接通 |
– |
|
正在運行 |
接通 |
斷開 |
+ |

開關關閉、指示燈點亮并且康明斯B3.3和QSB3.3發動機停止運轉時,斷開點火開關上的指示燈引線。
如果指示燈一直亮,表示指示燈點火側的正極導線上存在短路。

如果指示燈熄滅,表示開關中存在短路。

如果開關接通、指示燈熄滅并且康明斯B3.3和QSB3.3發動機停止運轉,則可能表明存在開路。
要確定開路存在的位置,檢查是否存在熔斷的保險絲、燒壞的燈泡、故障的燈泡座或者充電機和點火開關之間的 1 號或“ D+”導線電路開路。

警告 ![]()
當康明斯B3.3和QSB3.3發動機起動時,冷卻風扇將會接合。要避免人身傷害,在起動康明斯B3.3和QSB3.3發動機時和在康明斯B3.3和QSB3.3發動機運轉期間,不要將手放在風扇轉動的軌跡范圍內。
開關接通、指示燈點亮并且康明斯B3.3和QSB3.3發動機運轉時,檢查驅動皮帶和充電機皮帶輪確保充電機正在運轉。

斷開充電機上的“L”引線。如果指示燈一直亮,表示指示燈充電機側存在對地短路。
如果指示燈熄滅,更換充電機。

要想檢驗充電機充電系統工作正?;虍惓G闆r,在充電機旋轉時將跨接導線在蓄電池端子“B+”和“IG”端子之間進行瞬時接觸。如果起作用,將接通充電機。
測試充電機輸出。
如有必要,更換充電機。

警告 ![]()
蓄電池可能會有易爆性氣體逸出。為了盡可能避免人身傷害,在維護蓄電池前,必須保持康明斯B3.3和QSB3.3發動機艙通風良好。為避免產生電弧,應首先拆下負極 (-) 蓄電池電纜,并最后連接負極 (-) 蓄電池電纜。
檢查蓄電池和所有導線接頭。參考第 13 節中的步驟 013-007。
檢查導線有無故障。檢查所有的連接是否清潔并連接緊固,包括充電機和康明斯B3.3和QSB3.3發動機工作間壁之間的滑動接頭,以及蓄電池的接線。參考第 13 節中的步驟 013-009。

將點火開關轉到 ON (接通)位置。
將所有的導線線束連接到正確的位置。
將萬用表(零件號 3164488)或等同物連接到充電機 "BAT" "B+" 端子和接地
讀數為零表示充電機接頭和蓄電池之間存在開路。維修所有開路。與 Cummins® 特約維修站聯系維修事項。

所有附件關閉時,在蓄電池上跨接一個萬用表。
使康明斯B3.3和QSB3.3發動機以中速運轉。
如果電壓讀數如下,則更換或修理充電機。
|
系統電壓 | |
|
24-VDC |
大于 28 VDC |
|
12-VDC |
大于 15.5 VDC |

準備步驟
警告 ![]()
蓄電池可能會有易爆性氣體逸出。為了盡可能避免人身傷害,在維護蓄電池前,必須保持康明斯B3.3和QSB3.3發動機艙通風良好。為避免產生電弧,應首先拆下負極 (-) 蓄電池電纜,并最后連接負極 (-) 蓄電池電纜。
警告 ![]()
酸是非常危險的,能損壞機器并導致嚴重的燒傷。維護蓄電池時,要準備一桶高濃度蘇打水作為中和劑。戴上護目鏡并穿上防護服,以避免嚴重人身傷害。
斷開蓄電池電纜。參考第 13 節中的步驟 013-009。
拆下冷卻風扇驅動皮帶。參考第 8 節中的步驟 008-002。
拆卸充電機上的所有導線,并為導線貼上標簽以在安裝時進行識別。
拆卸
從安裝支架上拆下螺栓。
從調節支架上拆下螺栓。,
拆下充電機。

安裝
將充電機安裝到安裝支架和調節支架上。
將螺栓安裝到安裝支架上。
將螺栓安裝到調節支架上。

最后步驟
警告 ![]()
蓄電池可能會有易爆性氣體逸出。為了盡可能避免人身傷害,在維護蓄電池前,必須保持康明斯B3.3和QSB3.3發動機艙通風良好。為避免產生電弧,應首先拆下負極 (-) 蓄電池電纜,并最后連接負極 (-) 蓄電池電纜。
警告 ![]()
酸是非常危險的,能損壞機器并導致嚴重的燒傷。維護蓄電池時,要準備一桶高濃度蘇打水作為中和劑。戴上護目鏡并穿上防護服,以避免嚴重人身傷害。
根據導線上的標簽標識連接充電機上的所有導線。
安裝冷卻風扇驅動皮帶。參考第 8 節中的步驟 008-002。
連接蓄電池電纜。參考第 13 節中的步驟 013-009。
測試
對于康明斯B3.3和QSB3.3發動機上的充電機執行以下步驟:
在電流表上連接碳堆和夾子 。調整碳堆測試儀上的負載至充電機的額定性能。
在正極和負極電路中測量電壓降 。將這些值加在一起并與表中的總和進行比較。
|
系統電壓 |
最大壓降 |
|
12 VDC |
0.5 VDC |
|
24 VDC |
1.0 VDC |
按需要維修或更換導線以滿足技術規范的要求。

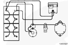
要想進行充電機電壓輸出檢查,按圖示將數字式萬用表(零件號 3164488)或等效工具連接到充電機。
蓄電池處于完全充電狀態并且所有附件都關閉時,起動康明斯B3.3和QSB3.3發動機然后在高怠速下運行。只有當電壓有足夠時間穩定后才開始讀數。

測量充電機輸出電壓 。
|
系統電壓 |
最大輸出電壓限制 |
|
12 VDC |
15.5 VDC |
|
24 VDC |
31 VDC |
如果電壓限制超過了表中的電壓值,則維修或更換充電機或調節器
參考 OEM 技術規范以了解最小電壓輸出。

要想進行充電機電流輸出的測試,按插圖所示連接碳堆測試儀和鉗式安培表。

注: 充電機輸出電壓直接與正在運轉的充電機轉速有關。充電機傳動皮帶滑動可能會造成輸出讀數不正確。
起動康明斯B3.3和QSB3.3發動機并以高怠速運轉。
調整碳堆負載至充電機額定的電流輸出。
如果充電機的輸出電流不在額定值的 10% 以內,維修或更換充電機。

警告 ![]()
蓄電池可能會有易爆性氣體逸出。為了盡可能避免人身傷害,在維護蓄電池前,必須保持康明斯B3.3和QSB3.3發動機艙通風良好。為避免產生電弧,應首先拆下負極 (-) 蓄電池電纜,并最后連接負極 (-) 蓄電池電纜。
警告 ![]()
酸是非常危險的,能損壞機器并導致嚴重的燒傷。維護蓄電池時,要準備一桶高濃度蘇打水作為中和劑。戴上護目鏡并穿上防護衣,以免造成嚴重的人身傷害。
斷開與電路中其它蓄電池箱相連的任何電纜。
讓康明斯B3.3和QSB3.3發動機高怠速運轉,用數字萬用表(零件號 3164488)或等效工具測量輸出到蓄電池上的充電機電壓。參考 OEM 維修手冊中的充電機輸出電壓。

關閉康明斯B3.3和QSB3.3發動機,并拆下測試設備。