![]()
Perkins1106A/C發動機機油濾清器座-拆卸和安裝
拆卸步驟

注意:保持所有零件清潔無雜質。雜質會造成快速磨損和縮短部件壽命。
注意:在檢查,保養,測試,調整和維修發動機時,務必留心,確保將溢出的液體盛裝在容器中。在打開任何腔室或拆解任何儲有液體的部件之前,要準備好用合適的容器收集液體。按照本地法規和指令處置所有液體。

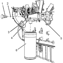
1將適當的容器放置到發動機機油濾清器(6)的下方,用來盛裝所有可能溢出的機油。
2使用工具(A),拆下發動機機油濾清器(6)。有關正確的步驟,請參閱《Perkins1106A/C發動機操作和保養手冊》,“發動機機油和濾清器-更換”
3卸下螺栓(4)。
4拆下發動機機油濾清器底座(3)。
5拆下密封墊(5)。
6如有必要,將閥(1)從發動機機油濾清器底座(3)上拆下。將O形密封圈(2)從閥(1)上拆下。
安裝步驟

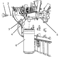
1清潔發動機機油濾清器底座(3)。清潔Perkins1106A/C發動機機油冷卻器的密封墊表面。
2如有必要,將新的O型密封圈(2)安裝到閥(1)上。將閥(1)安裝到發動機機油濾清器底座(3)上。擰緊閥至扭矩為12N·m(106lbin)。
3將螺栓(4)安裝到發動機機油濾清器底座(3)上。
4將密封墊(5)安裝到螺栓(4)上。將Perkins1106A/C發動機機油冷卻器底座組件安裝到Perkins1106A/C發動機機油冷卻器上。
5擰緊螺栓(4)至扭矩為22N·m(195lbin)。
6安裝新發動機機油濾清器(6)并檢查發動機潤滑油油位。有關正確的步驟,請參閱《Perkins1106A/C發動機操作和保養手冊》,“發動機機油油位-檢查”。